EasyManua.ls Logo

Windsor GROUTHOG GH3 - Wiring Diagram

Windsor GROUTHOG GH3
10 pages
Print Icon
To Next Page IconTo Next Page
To Next Page IconTo Next Page
To Previous Page IconTo Previous Page
To Previous Page IconTo Previous Page
Loading...
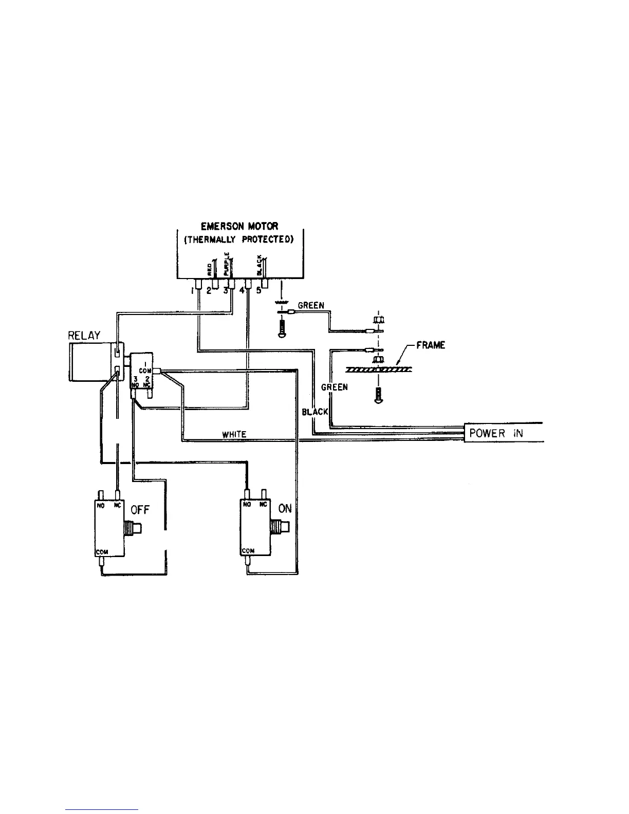
WIRING DIAGRAM
GROUTHOG 86038000 05/17/07
6
115V GH3
BLACK 86268310
PRV NO. 88240
BLACK 86268150
PRV NO. 88165
BLACK 86268150
PRV NO. 88165
BLACK 86268600
PRV NO. 88421
BLACK
86268150
PRV NO.
88165
BLACK 86268170
PRV N
O
.
886
1
8

Related product manuals