EasyManua.ls Logo

Witt GP 52 - Page 14

Witt GP 52
49 pages
Print Icon
To Next Page IconTo Next Page
To Next Page IconTo Next Page
To Previous Page IconTo Previous Page
To Previous Page IconTo Previous Page
Loading...
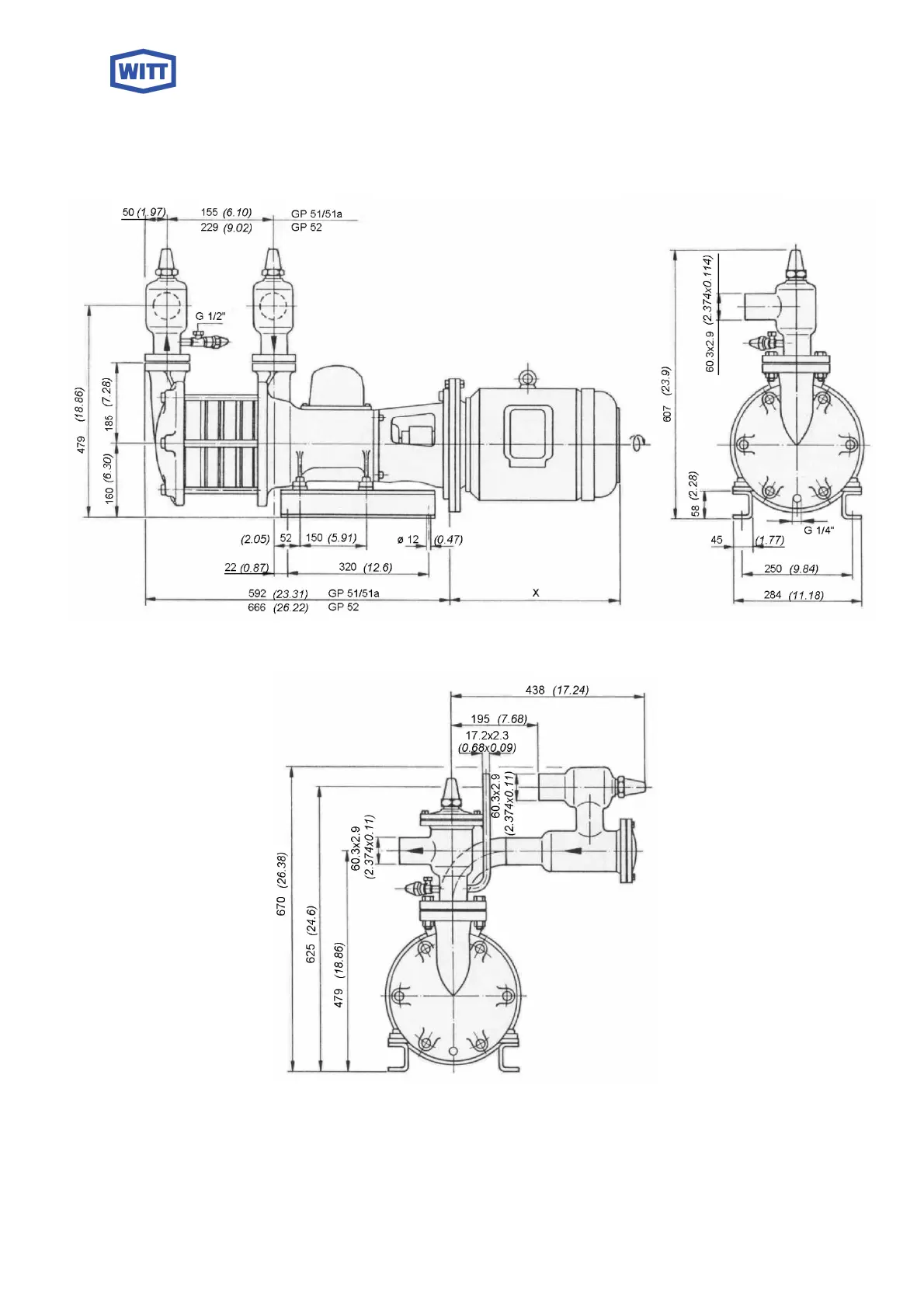
13 - Technical data -
4.5.2 Dimensions GP 51 / GP 51a / GP 52
All dimensions in mm (inch)

Related product manuals