EasyManua.ls Logo

Wittime WT2079 - Alarm Snooze and Weather Data; Snooze Functionality

Wittime WT2079
18 pages
Print Icon
To Next Page IconTo Next Page
To Next Page IconTo Next Page
To Previous Page IconTo Previous Page
To Previous Page IconTo Previous Page
Loading...
You will be woken by the alarm at the set time, and the sound will become more and more
intense as the alarm continues.
Snooze - Press the
button to stop the alarm for approx. 5 minutes.
Switch off the alarm completely - Press any button on the base unit (apart from ), to
stop the alarm. The alarm will go off again after 24 hours.
Automatic stop function- If you do not press any buttons, the alarm will automatically switch
off after 2 minutes. The alarm will go off again after 24 hours.
Snooze function
Press the button once when the alarm sounds.
The alarm signal is paused for approx. 5 minutes, and the alarm symbol and symbol will
flash on the display. Afterwards, the alarm will sound and wake you up again. You can
repeat this process multiple times.
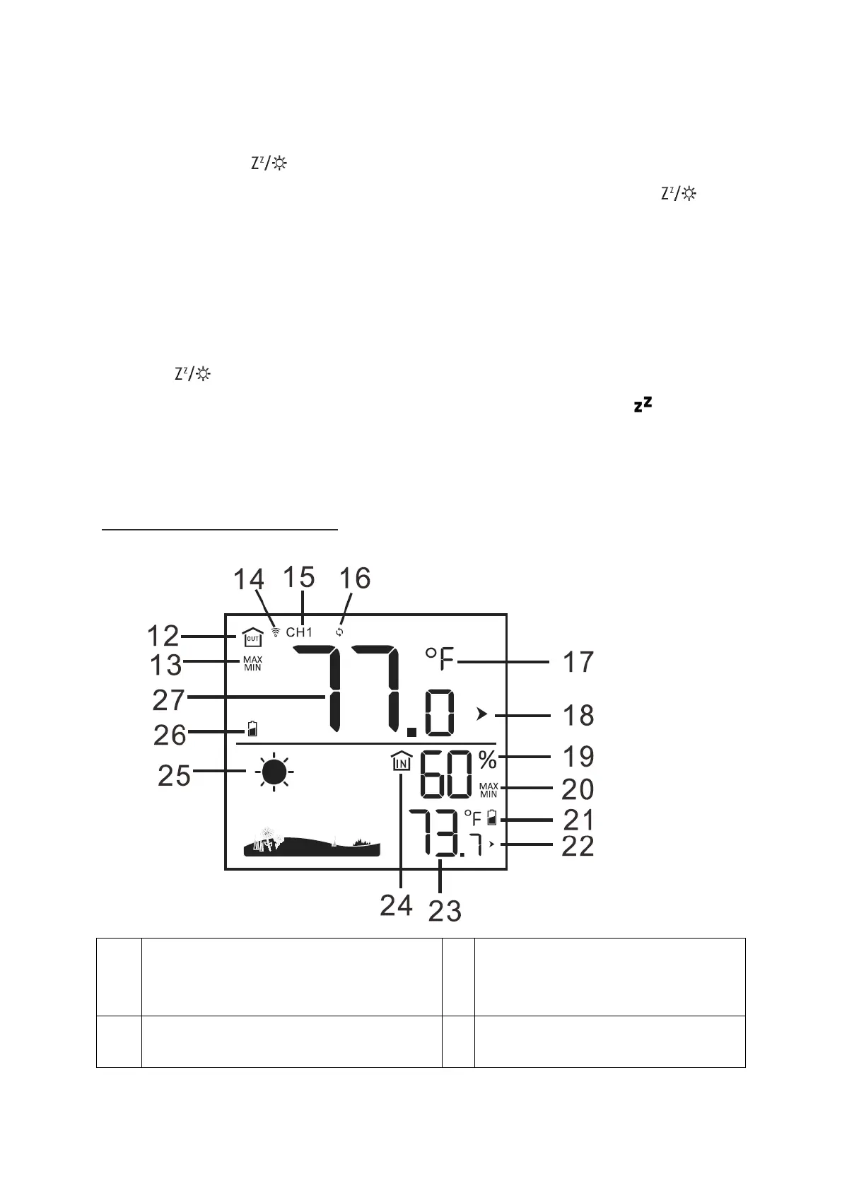
Weather information
12
Outdoor symbol
20
Stored maximum and minimum
values for indoor temperature
and humidity
13
Stored maximum and minimum values
for outdoor temperature
21
Indoor low battery indicator

Related product manuals