EasyManua.ls Logo

Wizard WAR500A - Page 22

Default Icon
28 pages
Print Icon
To Next Page IconTo Next Page
To Next Page IconTo Next Page
To Previous Page IconTo Previous Page
To Previous Page IconTo Previous Page
Loading...
22
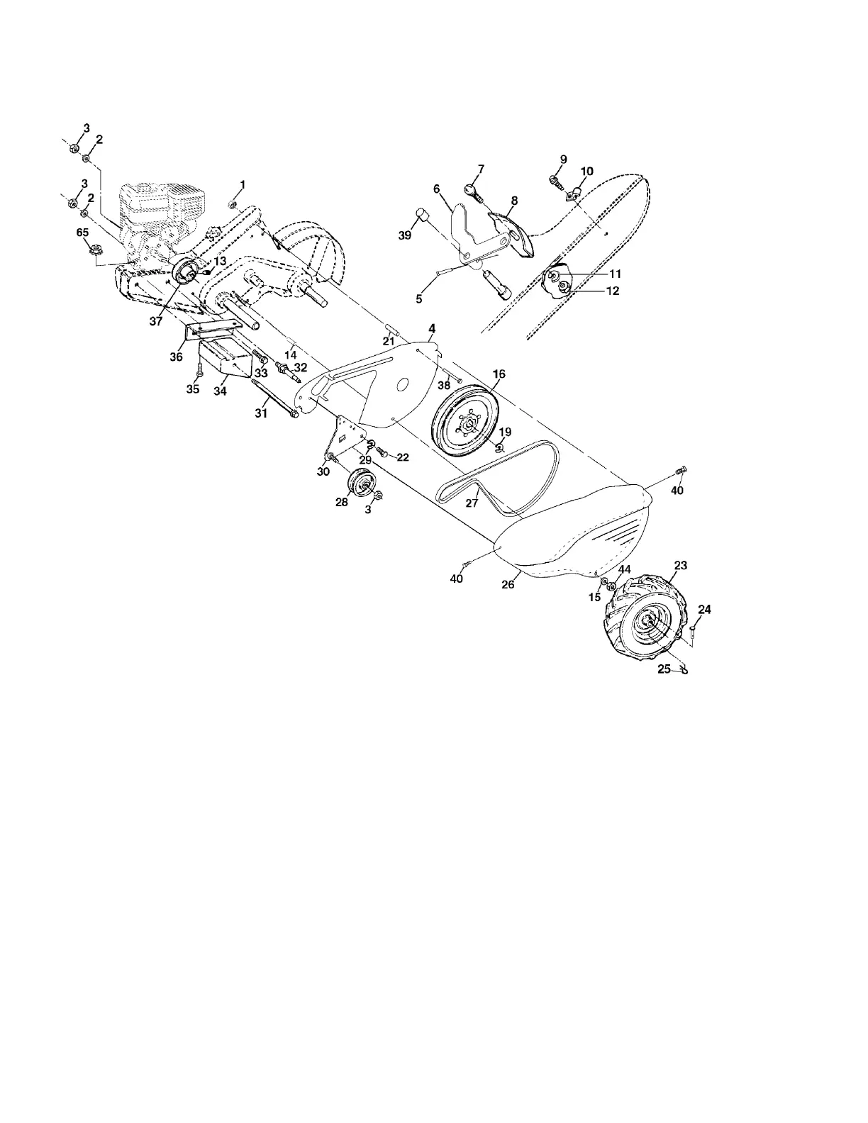
KEY PART
NO. NO. DESCRIPTION
1 73510500 Nut, Keps 5/16-18
2 10040600 Washer, Lock 3/8
3 73220600 Nut, Hex 3/8-16
4 170127 Shield, Inner Belt Guard
5 164329 Pin Spiral Flared
6 110111X Lever, Shift
7 72110404 Bolt, Carriage 1/4-20 x 1/2 Gr. 5
8 8700J Plate, Shift Indicator
9 86777 Screw, Hex, Washer Head, Slotted
#10-24 x 1/2
10 9484R Clip
11 10040400 Washer, Lock 1/4
12 73220400 Nut, Hex 1/4-20
13 23230506 Screw, Set, Hex 5/16-18 x 3/8
14 156117 Spacer, Split 0.327 x 0.42 x 1.220
15 19111116 Washer 11/32 x 11/16 x 16 Ga.
16 145102 Sheave, Transmission
19 12000028 Ring, Retainer
21 110652X Spacer, Split 0.327 x 0.42 x 2.09
22 74770508 Bolt, Fin Hex 5/16-24 x 1/2
23 102190X Tire
150750 Rim
795R Tire Valve
KEY PART
NO. NO. DESCRIPTION
24 126875X Rivet, Drilled
25 4497H Clip, Hairpin
26 165501X603 Guard, Belt
27 132801 Belt, V
28 104679X Pulley, Idler
29 12000032 Ring, Klip
30 159229 Bracket, Idler
31 102384X Bolt, Hex 5/16-16 x 12
32 102141X Shaft, Idler Arm
33 74760616 Bolt, Hex 3/8-16 x 1
34 102383X Counterweight, L. H.
35 74760524 Bolt, Hex 5/16-18 x 1-1/2
36 102331X Bracket, Reinforcement, L. H.
37 130812 Sheave, Engine
38 74760544 Bolt, Fin Hex 5/16-18 x 2-3/4
39 140062 Cap, Plunger
40 170488 Screw Hex Wsh Slt # 10-24 x .50
44 73800500 Nut, Lock 5/16-18
65 73970500 Nut, Lock Hex Flange
NOTE: All component dimensions given in U.S. inches.
1 inch = 25.4 mm
REPAIR PARTS
TILLER - - MODEL NUMBER WAR500A
MAINFRAME, LEFT SIDE
For Parts Call K&T 606-678-9623 or 606-561-4983
www.mymowerparts.com