EasyManua.ls Logo

WNC M14Q2F - Page 29

WNC M14Q2F
33 pages
Print Icon
To Next Page IconTo Next Page
To Next Page IconTo Next Page
To Previous Page IconTo Previous Page
To Previous Page IconTo Previous Page
Loading...
29 / 33
Normal Internal Use Confidential Restricted Confidential
User Manual
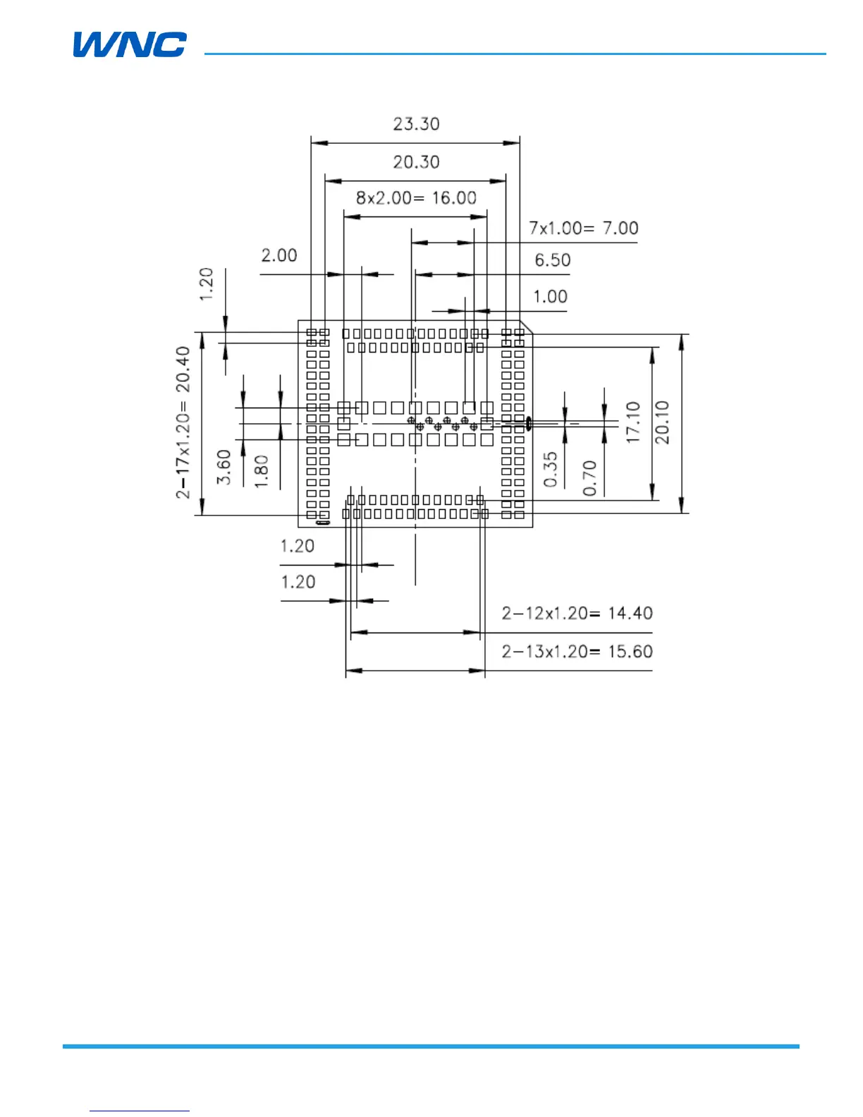
Bottom view

Related product manuals