EasyManua.ls Logo

Woods BACKHOE 1050 - Page 42

Woods BACKHOE 1050
60 pages
Print Icon
To Next Page IconTo Next Page
To Next Page IconTo Next Page
To Previous Page IconTo Previous Page
To Previous Page IconTo Previous Page
Loading...
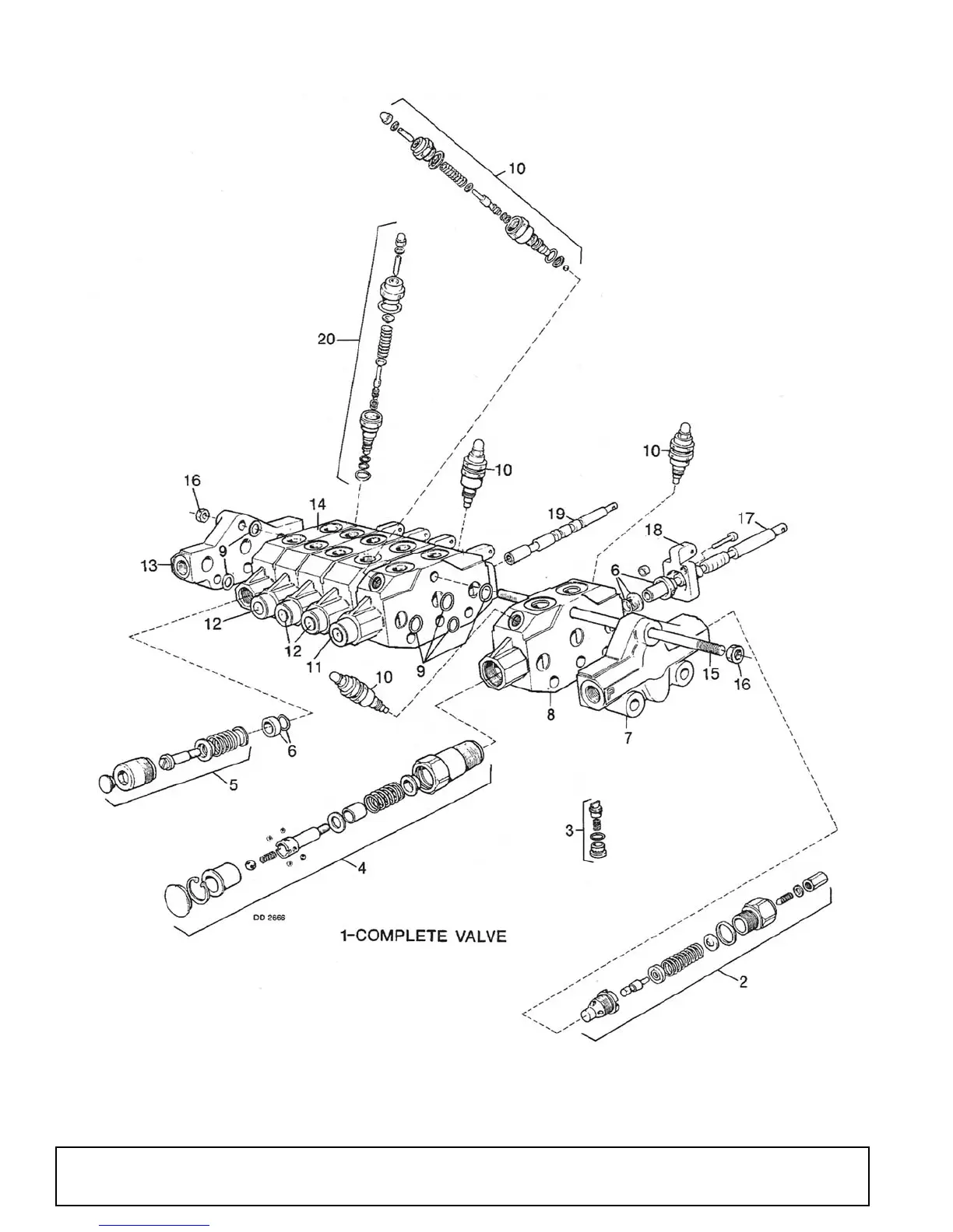
42 Parts
51861 (Rev. 6/16/2006)
BH1050 CONSOLE VALVE ASSEMBLY

Related product manuals