EasyManua.ls Logo

Woods PSS84 - Page 36

Woods PSS84
66 pages
Print Icon
To Next Page IconTo Next Page
To Next Page IconTo Next Page
To Previous Page IconTo Previous Page
To Previous Page IconTo Previous Page
Loading...
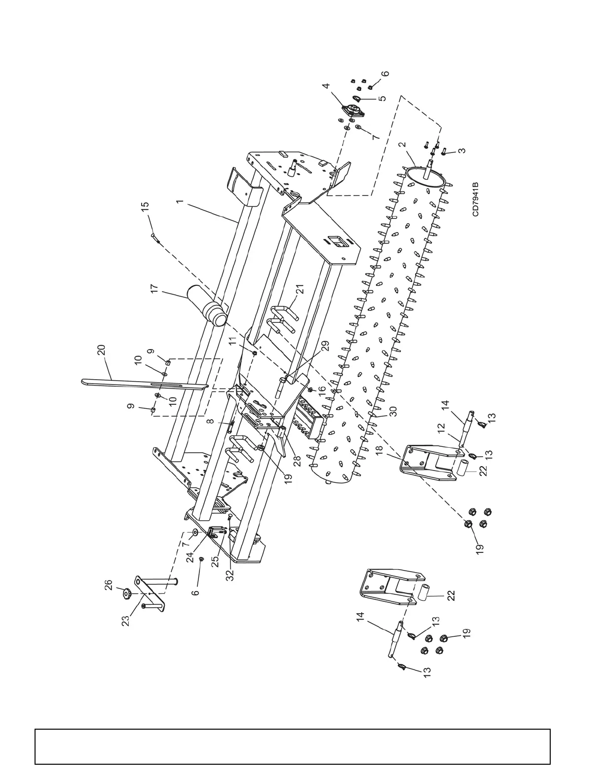
36 Parts
MAN0988 (11/5/2012)
PSS48, PSS60, PSS72 & PSS84 MAIN FRAME & ROLLER ASSEMBLY
(Rev. 4/24/2018)