EasyManua.ls Logo

XSY AT3 - Page 8

Default Icon
22 pages
Print Icon
To Next Page IconTo Next Page
To Next Page IconTo Next Page
To Previous Page IconTo Previous Page
To Previous Page IconTo Previous Page
Loading...
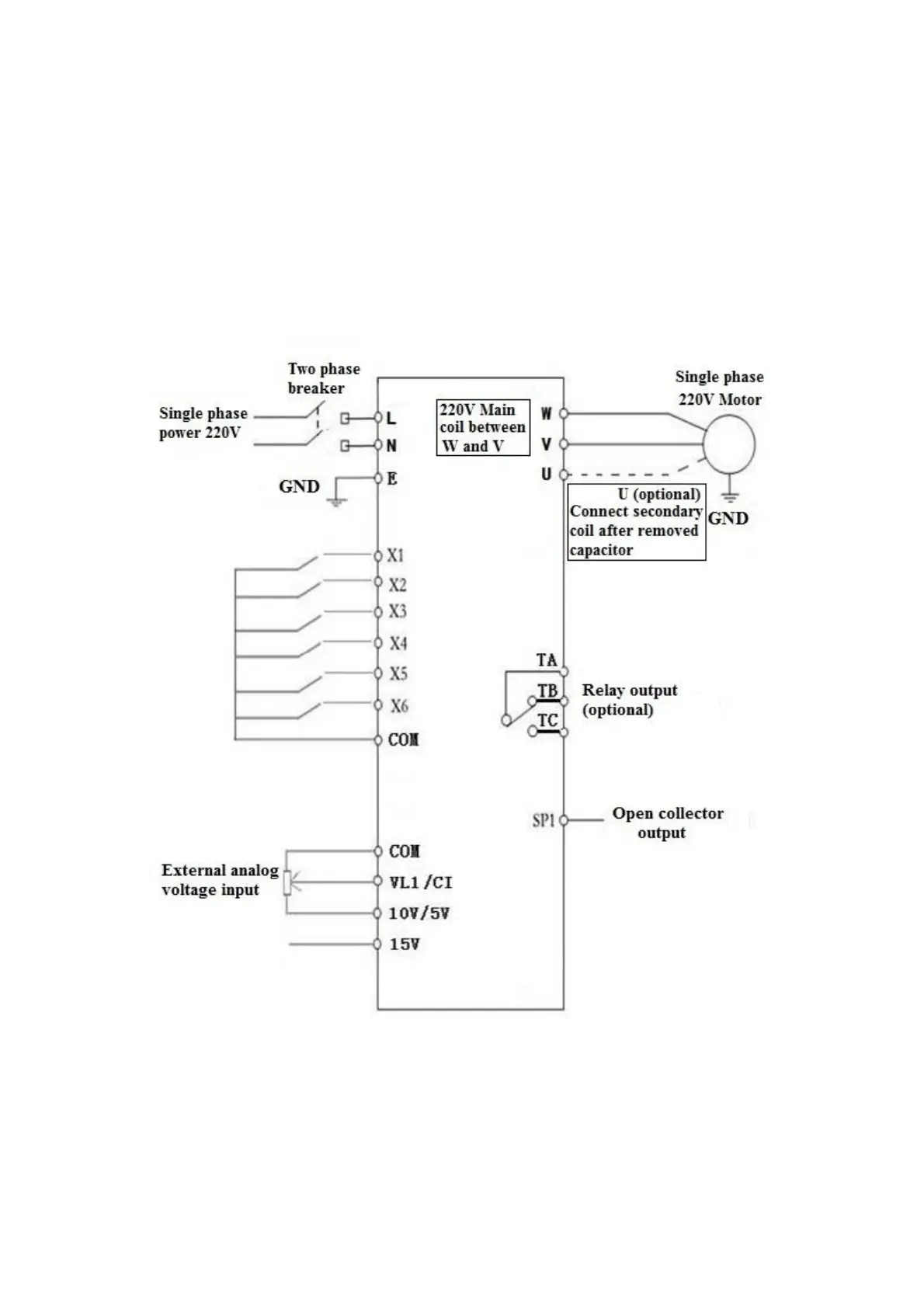
(2). Single-phase input and output (for AT2)
(220V single phase motor, Non-removed capacitor
/ Removed capacitor)
6

Related product manuals