EasyManua.ls Logo

XSY AT3 - Basic Wiring Diagram

Default Icon
22 pages
Print Icon
To Next Page IconTo Next Page
To Next Page IconTo Next Page
To Previous Page IconTo Previous Page
To Previous Page IconTo Previous Page
Loading...
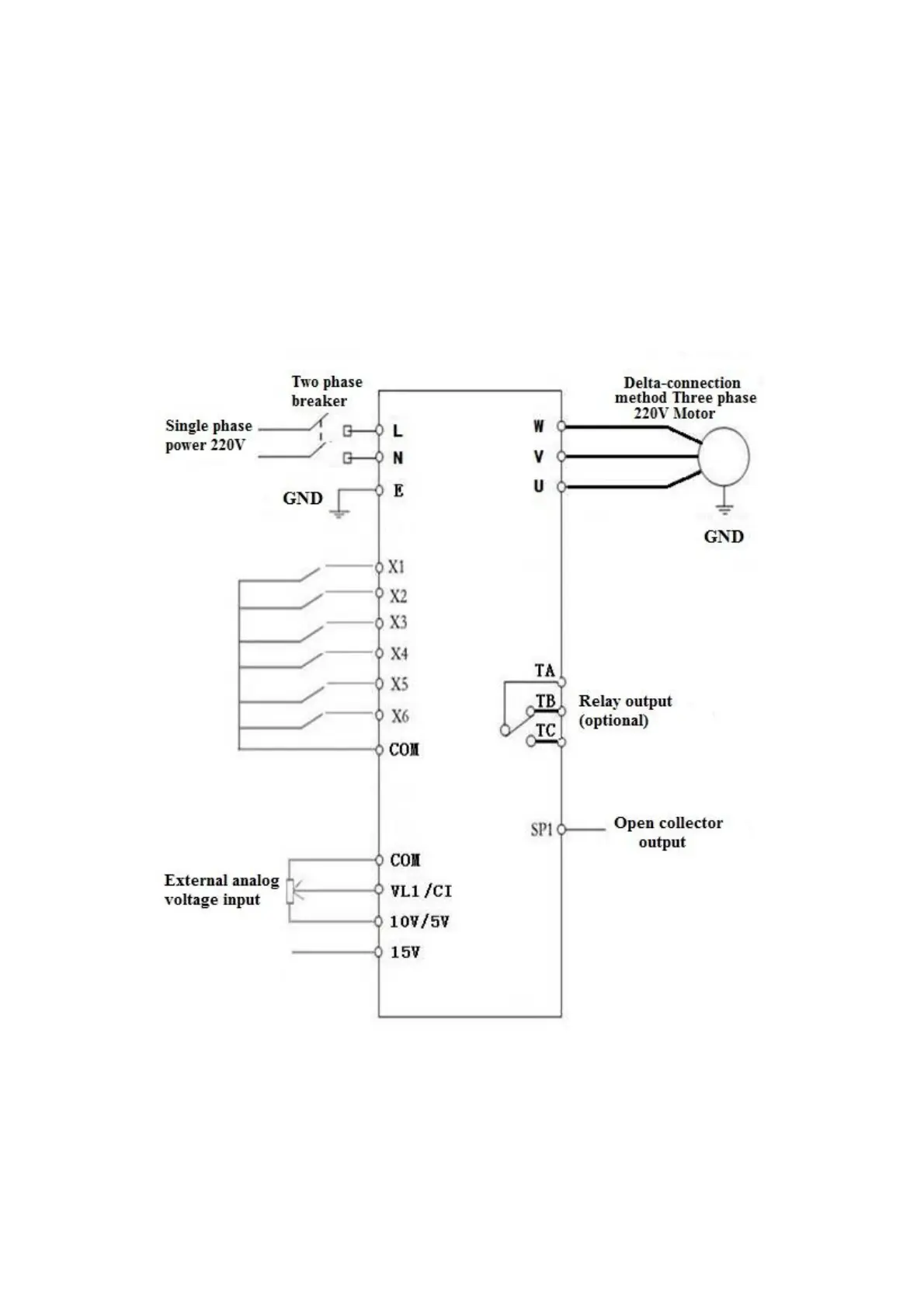
4. Basic operation wiring diagram
(1) Single-phase input three-phase output (for AT1 )
(Three phase 220V, if 380V Star-connection method
needs to change to the 220V Delta-connection method)
5

Related product manuals