EasyManua.ls Logo

XtraVac RBF8 - Page 35

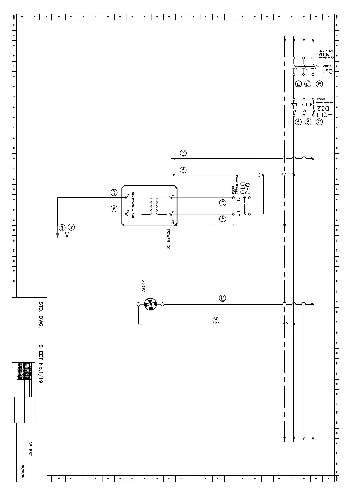
XtraVac RBF8
91 pages
Print Icon
To Next Page IconTo Next Page
To Next Page IconTo Next Page
To Previous Page IconTo Previous Page
To Previous Page IconTo Previous Page
Loading...
L3
P/E
Date:
L2
L1
Electric Diagrams
Designer:
Qingchao Huang
Design S/N
Any question please contact
No explain for any revision
1702023OY
Power Supply
To Page 13
Switching
Power Supply
To Page 5
Cooling Fan