EasyManua.ls Logo

XtraVac RBF8 - Page 36

XtraVac RBF8
91 pages
Print Icon
To Next Page IconTo Next Page
To Next Page IconTo Next Page
To Previous Page IconTo Previous Page
To Previous Page IconTo Previous Page
Loading...
P/E
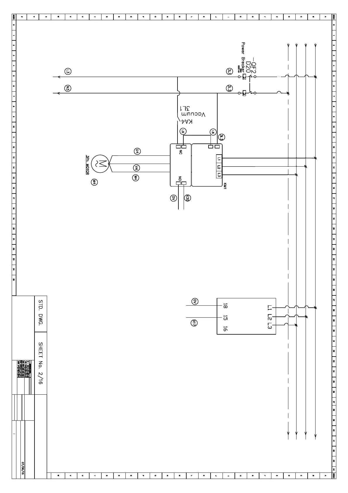
GMC-9
KM1
2L
2L2
2L3
95
A1
接第2
A2
96
GHT-22
OL
97
98
DC 0V
PLC X30
RM4TG20
DC 0V
PLC X17
Date:
Electric Diagrams
Designer:
Qingchao Huang
Design S/N
Any question please contact
No explain for any revision
1702023OY
Vacuum Pump Motor
Phase sequence
protector
AC Contactor
Thermal Relay
Motor Drive 1