EasyManua.ls Logo

XtraVac XtraVac860A - Page 37

Default Icon
49 pages
Print Icon
To Next Page IconTo Next Page
To Next Page IconTo Next Page
To Previous Page IconTo Previous Page
To Previous Page IconTo Previous Page
Loading...
37
N
X1
L
8.4D
6.3A
6.3A6.3A
6.3A
5V
0V24V
0V
-
~
4.14A 0 V
4.14A 220 V
STANDARD
CHECKED
PROCESSED
NAMEDATE
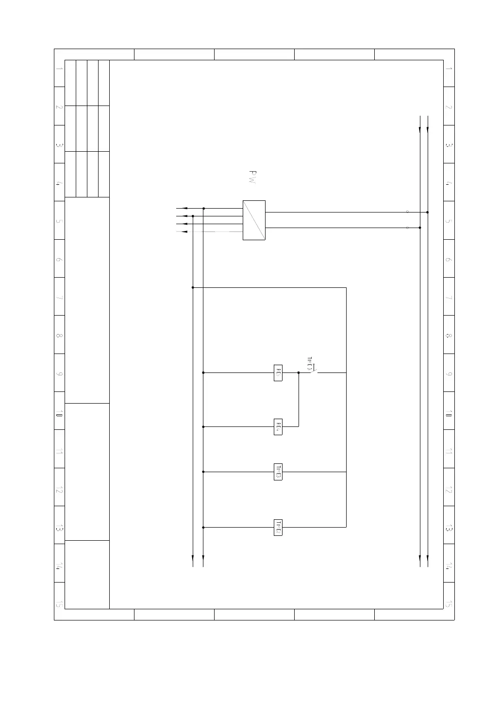
Control circuit diagram
05
PAGE
E
D
C
B
A
E
D
C
B
A
8.2A
11.1 A L
11.1 D N

Related product manuals