EasyManua.ls Logo

Yale ESC030AC - Page 127

Yale ESC030AC
134 pages
Print Icon
To Next Page IconTo Next Page
To Next Page IconTo Next Page
To Previous Page IconTo Previous Page
To Previous Page IconTo Previous Page
Loading...
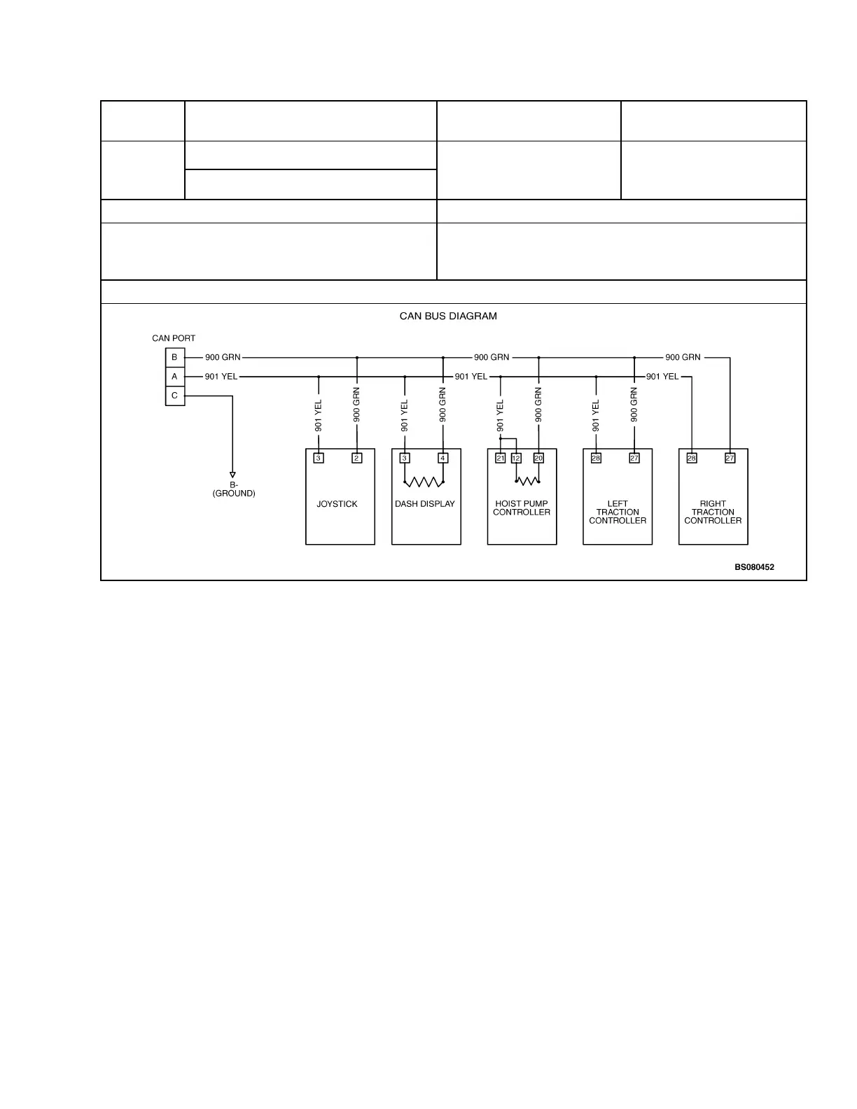
STATUS
CODE
DISPLAY MESSAGE RECOVERY METHOD CIRCUIT
65527-16 65527-16 Re-key only Display
Node 16
DESCRIPTION BEHAVIOR
CAN messages are not being received from other
nodes - ( Dash Node 16)
Lost Communication from display has no effect on
truck behavior. Visual & password interface inopera-
tive.
Probable Causes and Test Procedures
2200 YRM 1415 Troubleshooting
123

Related product manuals