EasyManua.ls Logo

Yale ESC030AC - Page 47

Yale ESC030AC
134 pages
Print Icon
To Next Page IconTo Next Page
To Next Page IconTo Next Page
To Previous Page IconTo Previous Page
To Previous Page IconTo Previous Page
Loading...
STATUS
CODE
DISPLAY MESSAGE RECOVERY METHOD CIRCUIT
12546
(cont)
12546 Re-key RH Traction
Node 3
DESCRIPTION BEHAVIOR
Battery empty or below maximum discharge
level - (RH Node 3)
Truck disabled, contactor does not pull in.
Probable Causes and Test Procedures
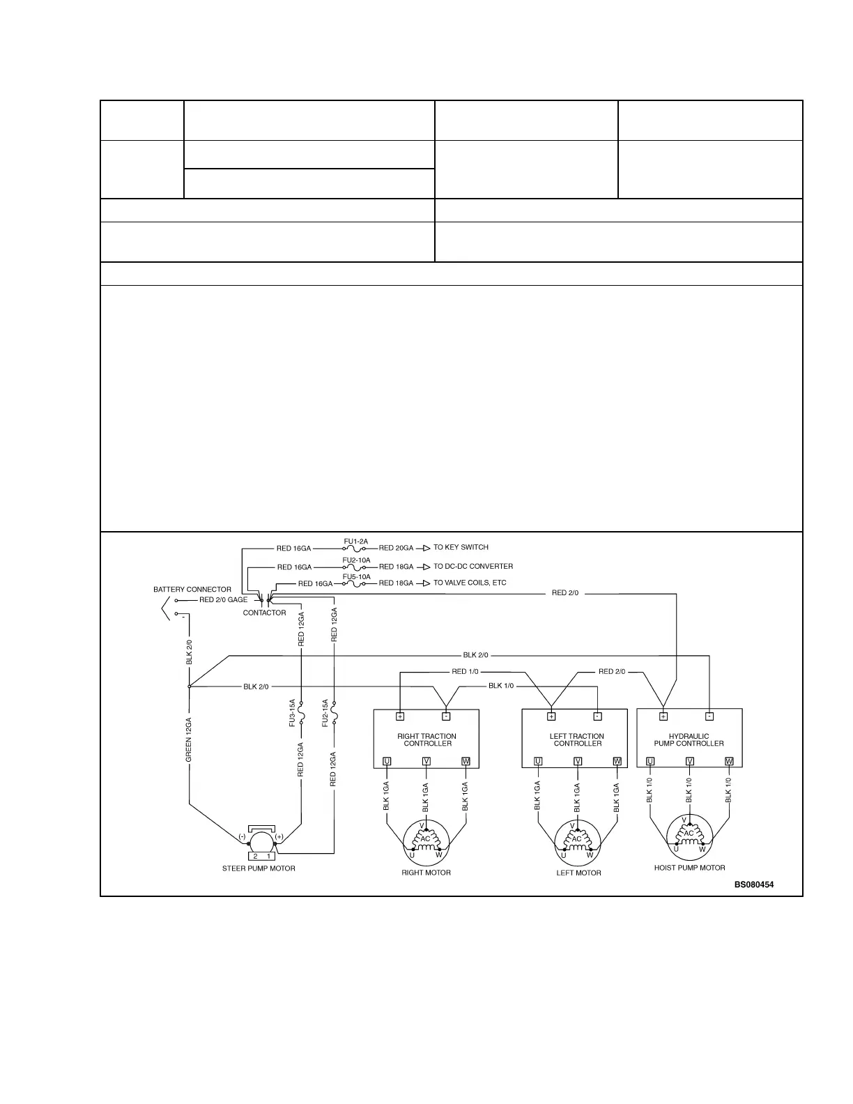
4. Verify proper KEY-IN voltage to RH Traction Drive:
a. Ensure B+ Voltage is present at Pins 7 and 10 with KEY-SW ON:
YES- Proceed to step 5.
NO- Proceed to step 4b.
b. Check continuity from Battery connector B− to B− terminal of the controller.
YES- Proceed to step 4c.
NO- Repair NEG-2 wire / crimp terminal / check bolt torque.
c. Verify power wire continuity from Pin 7 and 10 to KEY-SW IGN terminal.
d. Verify KEY-SW continuity between BAT & IGN terminals when switched to "ON."
YES- Check for blown FU1 fuse.
NO- Replace faulty KEY-SW.
2200 YRM 1415 Troubleshooting
43

Related product manuals