EasyManua.ls Logo

Yale ESC030AC - Page 48

Yale ESC030AC
134 pages
Print Icon
To Next Page IconTo Next Page
To Next Page IconTo Next Page
To Previous Page IconTo Previous Page
To Previous Page IconTo Previous Page
Loading...
STATUS
CODE
DISPLAY MESSAGE RECOVERY METHOD CIRCUIT
12546
(cont)
12546 Re-key RH Traction
Node 3
DESCRIPTION BEHAVIOR
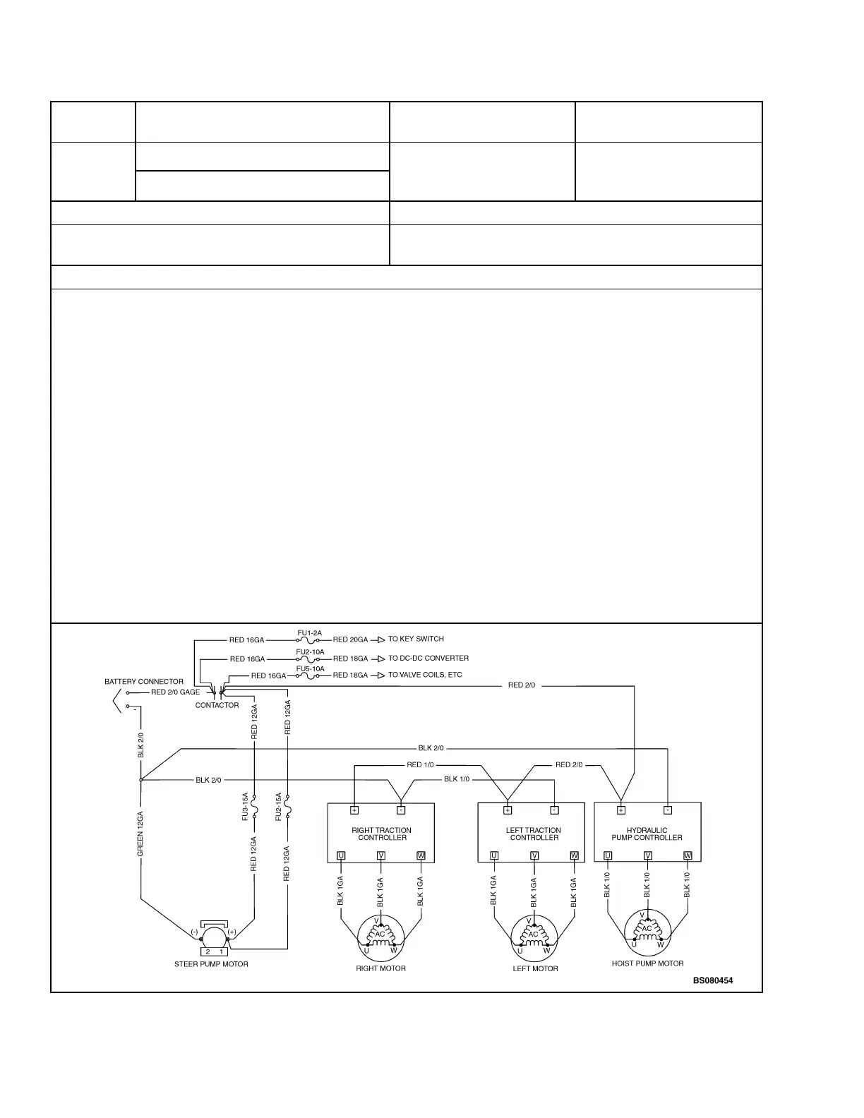
Battery empty or below maximum discharge level
- (RH Node 3)
Truck disabled, contactor does not pull in.
Probable Causes and Test Procedures
5. Verify proper line contactor operation:
a. Does the contactor attempt to pull in at startup? (Pull in and quickly disengages)
YES- Proceed to step 5b.
NO- Proceed to step 6.
b. Disconnect wire 075 to line contactor.
c. Using a 2A Rated jumper wire, connect the open coil terminal to ground. Does the contactor pull-in
and hold?
YES- Coil driver may be damaged in RH Controller, see step 6.
NO- Proceed to step 5d.
d. Verify B+ voltage to coil of contactor (Wire 010 Red):
YES- Contactor coil is open or plunger damaged. Replace contactor.
NO- Verify continuity between KEY-SW IGN to line contactor.
6. Traction Controller malfunction:
a. If all B+ measurements are in range, and proper voltage was seen in all steps, traction controller is
likely at fault. Contact Resident Service Engineering through the Contact Management System.
Troubleshooting 2200 YRM 1415
44

Related product manuals