EasyManua.ls Logo

Yale ESC030AC - Page 99

Yale ESC030AC
134 pages
Print Icon
To Next Page IconTo Next Page
To Next Page IconTo Next Page
To Previous Page IconTo Previous Page
To Previous Page IconTo Previous Page
Loading...
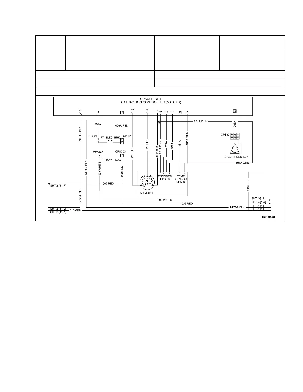
STATUS
CODE
DISPLAY MESSAGE RECOVERY METHOD CIRCUIT
29456-3, 4
(cont)
29456 Return to Neutral LH or RH Traction
Node 3 ( 4 )
DESCRIPTION BEHAVIOR
Motor Encoder Locked - (LH Node 4, RH Node 3) Traction speed limited to limp mode.
Probable Causes and Test Procedures
2200 YRM 1415 Troubleshooting
95

Related product manuals