EasyManua.ls Logo

Yamaha 30 - Page 241

Yamaha 30
497 pages
Print Icon
To Next Page IconTo Next Page
To Next Page IconTo Next Page
To Previous Page IconTo Previous Page
To Previous Page IconTo Previous Page
Loading...
5-4
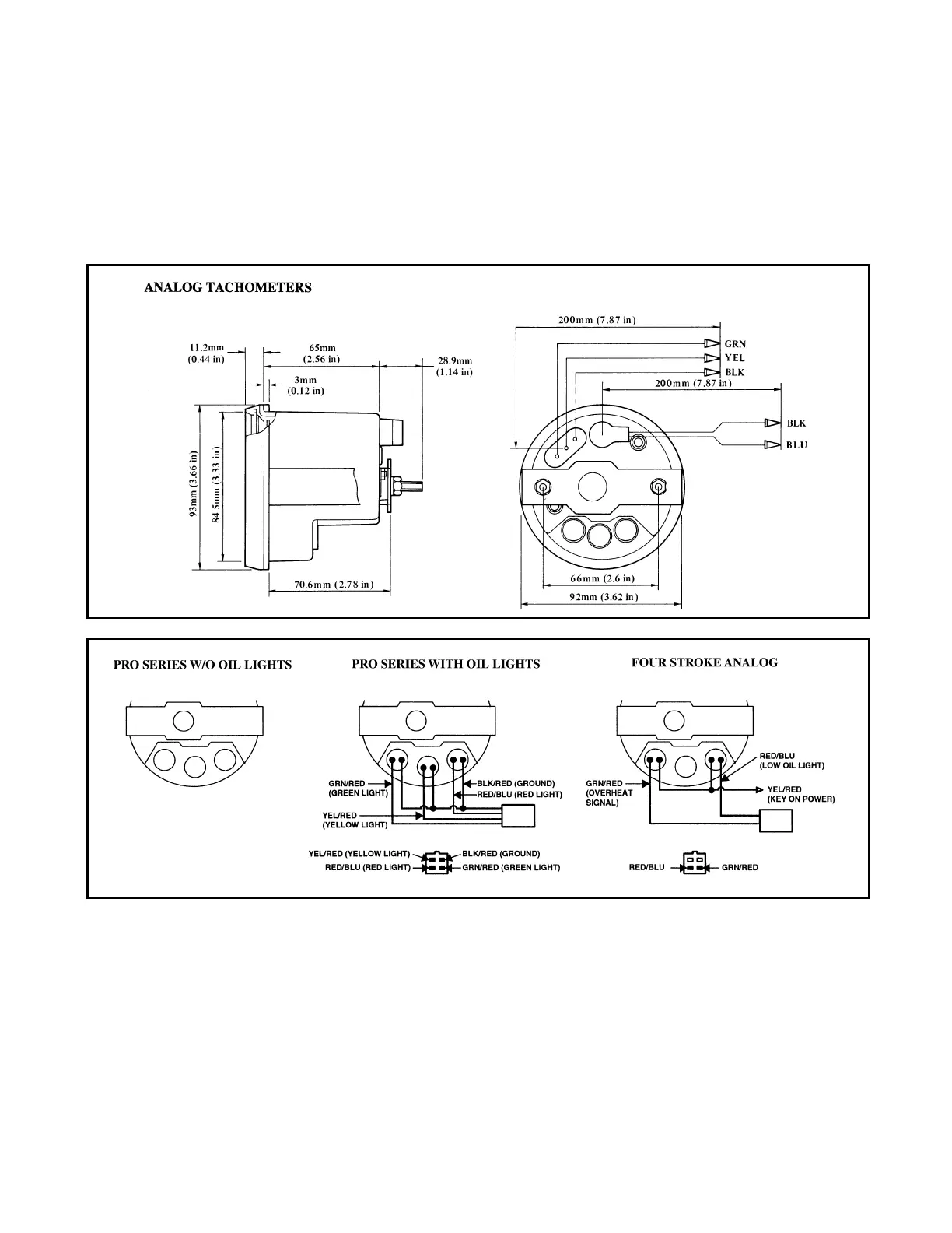
Outboard Rigging Guide - 2001 Tachometer
Wiring
Refer to the following illustrations for basic
wiring. For detailed wiring information, refer to
the diagrams in the Boat Wiring Diagrams in the
Electrical Section 3 of this manual.
NOTE: A special relay, Part number 6Y5-
81950-02-00, is required when using the Pro
Series analog tachometer with oil lights.

Table of Contents