EasyManua.ls Logo

Yamaha 30 - Page 84

Yamaha 30
497 pages
Print Icon
To Next Page IconTo Next Page
To Next Page IconTo Next Page
To Previous Page IconTo Previous Page
To Previous Page IconTo Previous Page
Loading...
2-21
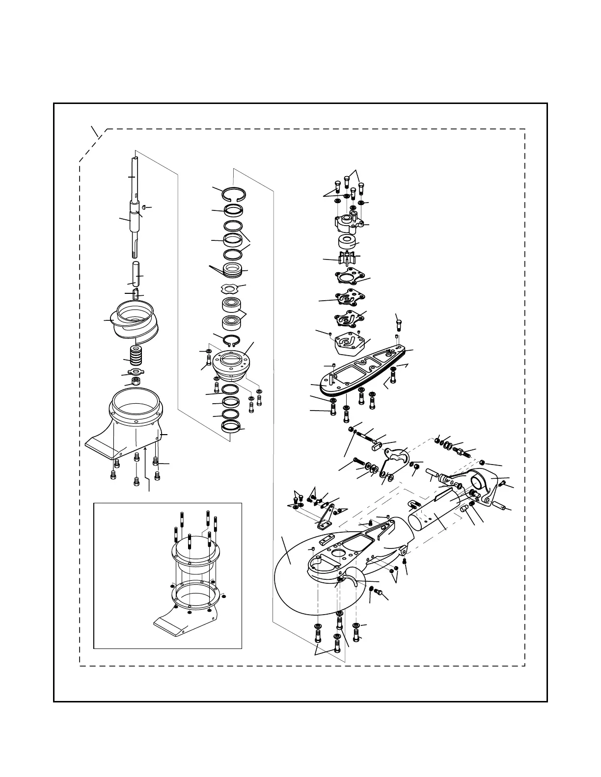
Outboard Rigging Guide - 2001 Jet Drive Eng. Mtg., Maintenance,
Shift Cable Instruction, Service Info.
90, V4, and V6 Models
*Grease all threads
1
34
35
36
37
38
39
40
41
42
31
33*
32
55
43
45
54
44
53
50
49
87
46
48
47*
44
44
45
43
64*
65*
66
63
62
GREASE LIGHTLY
61
60
59
58
29*
56
57
25
26
27
30
28*
15
12
14
13
11
15
16
69
68
71
85
78
79
4
77
16
6
17
81
82
80
30
88
19
23
22
24
20
2
18
10
21
6
74
72
83
4
84
10
7
9
6
75
76
30
52
51
67
5
86
5
'97 AND LATER
SERIAL NUMBER
59500 & UP
GREASE
SPLINES
GREASE
IMPELLER
SLEEVE
& KEY
3
8

Table of Contents

Related product manuals