EasyManua.ls Logo

Yamaha 40VMHD - Page 278

Yamaha 40VMHD
329 pages
Print Icon
To Next Page IconTo Next Page
To Next Page IconTo Next Page
To Previous Page IconTo Previous Page
To Previous Page IconTo Previous Page
Loading...
7-45
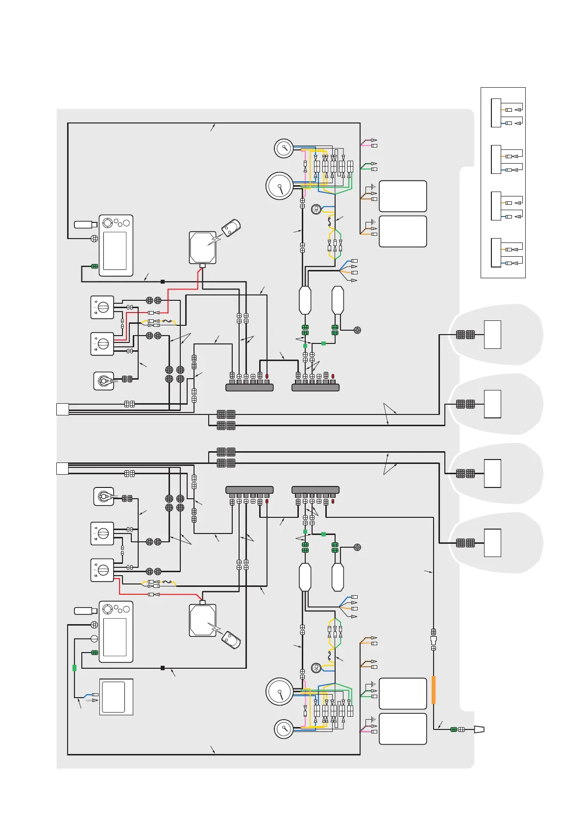
(*5)
(*5)
A
B
18
USB
21
(*4)
20
16
GPS
22
(*3)
Fuel
tank 1
To NMEA2000
Network
19
Sewage
tank
16
ECM
PCPCSS
ECM ECM ECM
5
Fresh-
water
tank
Fuel
tank 2
7
56 56
21
(*4)
20
16
(*3)
To NMEA2000
Network
16
5
7
18
USB
17
22
8
8
3 3
24
23
26
25
26
25
24
23
4
6
4
11 11
11
1313
12
12
14
12
12
13
13
12
(50)(50)
(50)
(50)
10
14
(*1) For previous digital electronic controlled engine
(*2) For previous network system (6Y8)
(*3) Engine selection for tachometer
C-PORT engine C-STBD enginePORT engine STBD engine
(*4) Requires 2 pcs including its related parts
(*5) Connect the sensor ground leads to the ground
(negative circuit on the battery)
(+) (GND)

Table of Contents