EasyManua.ls Logo

Yamaha BB NE2 - Circuit Diagram

Yamaha BB NE2
8 pages
Print Icon
To Next Page IconTo Next Page
To Next Page IconTo Next Page
To Previous Page IconTo Previous Page
To Previous Page IconTo Previous Page
Loading...
BB NE2
7
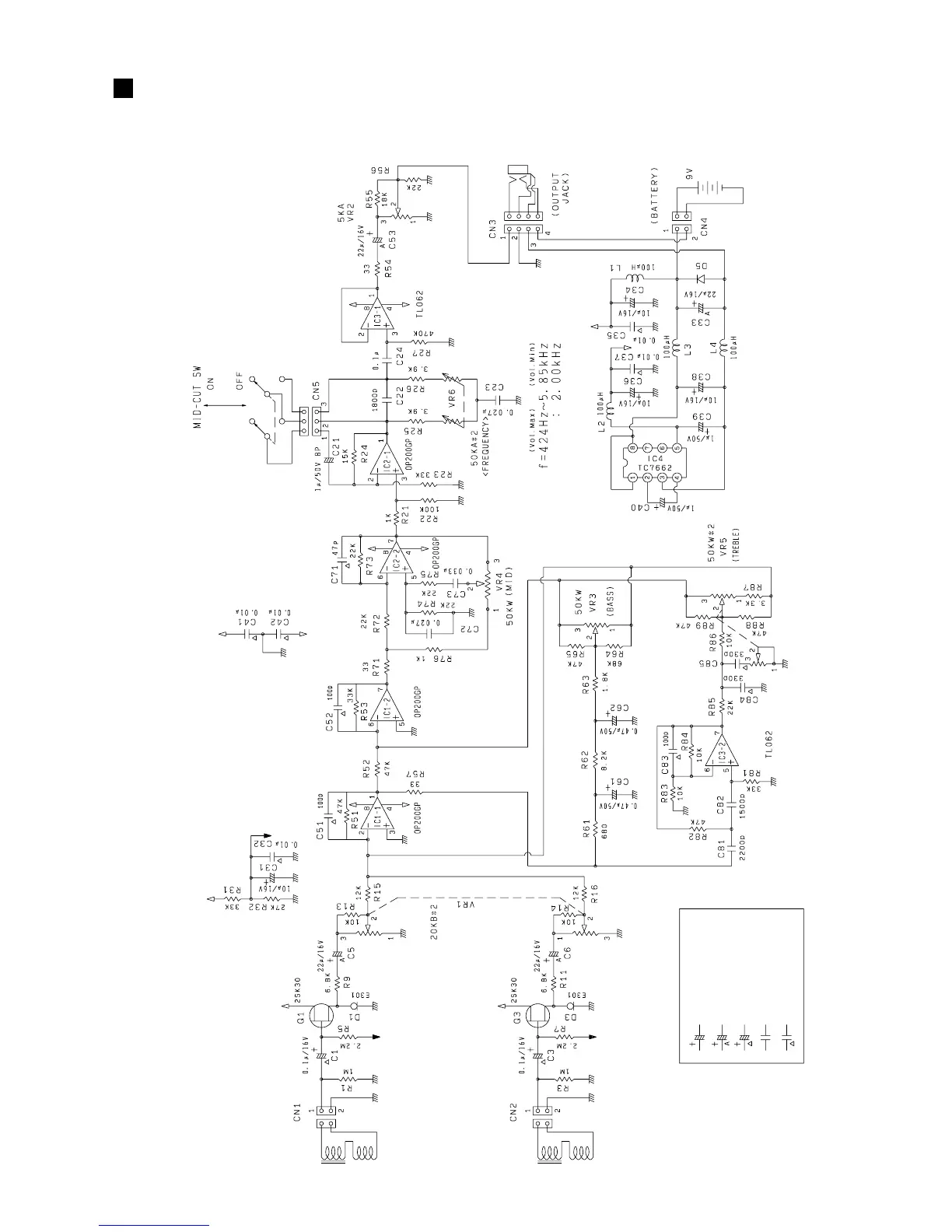
CIRCUIT DIAGRAM
OP AMPOP AMP
OP AMP
REGULATOR
(VOLUME)
Center
(BALANCER)
FRONT
PICKUP
REAR
PICKUP
Electrolytic Capacitor
Electrolytic Capacitor
(Audio)
Tantalum Capacitor
Mylar Capacitor
Ceramic Capacitor
STE-BAJJ-06

Other manuals for Yamaha BB NE2

Related product manuals