EasyManua.ls Logo

Yamaha BB604 - Circuit Diagram; Wiring

Yamaha BB604
9 pages
Print Icon
To Next Page IconTo Next Page
To Next Page IconTo Next Page
To Previous Page IconTo Previous Page
To Previous Page IconTo Previous Page
Loading...
BB604/BB605
8
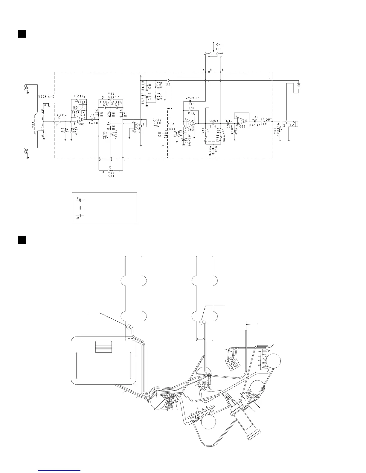
WIRING
CIRCUIT DIAGRAM
BAJJ-07
FRONT
PICKUP
REAR
PICKUP
TREBLE
Electrolytic Capacitor
Mylar Capacitor
Ceramic Capacitor
BALANCER
BASS
MID FREQ.
M.VOLUME
OUTPUT
JACK
BATTERY
DC9V
MID FREQ. SWITCH
CIRCUIT BOARD
OP AMP
OP AMP
FRONT PICKUP
Upper side: S (BB604)
N (BB605)
Upper side: N (BB604)
S (BB605)
REAR PICKUP
to bridge ground
MID FREQ.
SWITCH
(ON-OFF)
Screw the lug terminal in
cavity for the rear pickup.
GY
GY
BL
BL
BL
BL
BE
RE
RE
BL
WH
WH
WH
WH
WH
WH
RE
BL
BE
RE
RE
OUTPUT JACK
BALANCER
A+C 500K
TREBLE
B 50K
MID FREQ.
A 50K
M.VOLUME
B 20K
BASS
B 50K
Screw the lug terminal in
cavity for the front pickup.
Box for Dry Cell
Jumper Wire

Related product manuals