EasyManua.ls Logo

Yamaha EF1000A - Wiring Diagram

Yamaha EF1000A
37 pages
Print Icon
To Next Page IconTo Next Page
To Next Page IconTo Next Page
To Previous Page IconTo Previous Page
To Previous Page IconTo Previous Page
Loading...
28
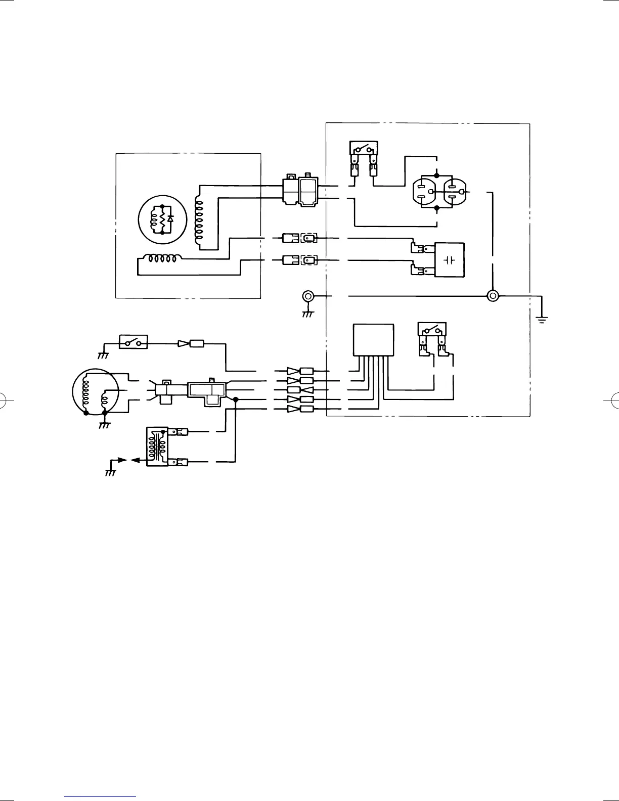
AE00751
WIRING DIAGRAM
1 Stator assembly
2 Rotor assembly
3 Condenser
4 AC protector
5 AC receptacle
6 Oil level switch
7 Engine switch
8 C.D.I. unit
9 C.D.I. magneto
0 Ignition coil
q Spark plug
w Earth terminal
Color code
B Black
Br Brown
G Green
Gy Gray
R Red
O Orange
B/W Black/White
Y Yellow
W/R White/Red
Y/R Yellow/Red
Br
R
Br
R
Br
R
q
w
r
e
t
!2
u
i
y
o
!0
!1
770-009
B
B/W
B/W
Br
W/R
B
O
B/W
Br
W/R
B
O
G/Y
Br
W/R
B
Br
W/R
B
Br
W/R
B
B
O
G
G
G
G
G/Y
G/Y
Br
R
Br
R
Br
R
Br
R
7TA-9-11B 10/24/03 4:49 PM Page 28

Related product manuals