EasyManua.ls Logo

Yamaha G11A - Wiring Information; G11 A Wiring Diagram and Color Codes

Yamaha G11A
48 pages
Print Icon
To Next Page IconTo Next Page
To Next Page IconTo Next Page
To Previous Page IconTo Previous Page
To Previous Page IconTo Previous Page
Loading...
1
2
3
4
5
6
7
8
9
10
11
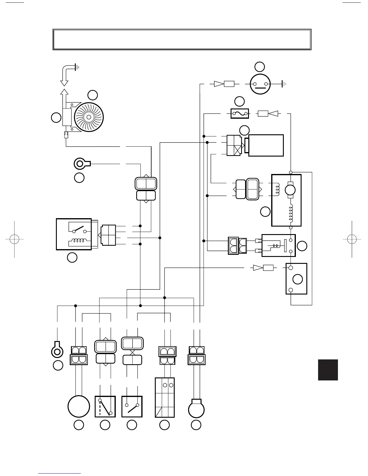
WIRING
11-1
UTILITY
G11A WIRING DIAGRAM
R
B
R
B
P
B
R
REV
FWD
R
P
B
B
P
P
B
P
Br
R/W
Br
R/W
Br
A1
F2
B
B
RW
RW
R
R
R
R
R/W
R/W
G
B
RW
G
G
G
G
G
B
Br
B
B
R/W
Br
R/W
OFF ON
Br
R/Y
L
BB
L
G
Br
B
R/W
R/W
L
L
L
BB
B
B
B
+
Y-509
GG
BrBr
B
RW
R
Br
R
RY
BrBr
16
1
2
3
4
5
6
7
8
9
10
14
15
13
12
11
1 Engine stop relay 9 Relay
2 Engine ground a Battery
3 Pickup b Pilot lamp (12V, 3.4W)
4 Rotor c Main switch
5 Oil level gauge d Accelerator stop switch
6 Blade fuse (10A) e Back switch
7 Voltage regulator f Buzzer
8 Starter generator g Body ground
COLOR CODE
B.........................Black
L...........................Blue
G.......................Green
Y .......................Yellow
R...........................Red
P ..........................Pink
Br......................Brown
W .......................White
B/R .............Black/Red
Y/B ..........Yellow/Black
R/Y ............Red/Yellow
R/W............Red/White
LIT_19626_11_97.qxd 3/22/01 3:24 PM Page 11-1