EasyManua.ls Logo

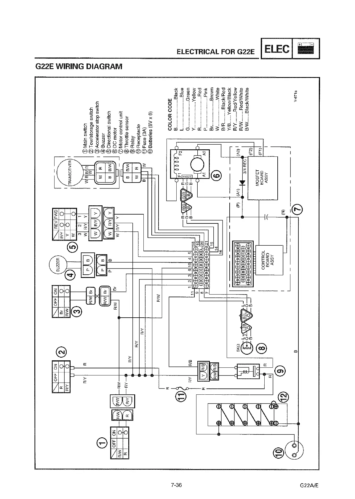
Yamaha G22 A/E - G22 E Wiring Diagram

Yamaha G22 A/E
308 pages
Print Icon
To Next Page IconTo Next Page
To Next Page IconTo Next Page
To Previous Page IconTo Previous Page
To Previous Page IconTo Previous Page
Loading...

Table of Contents

Related product manuals