EasyManua.ls Logo

Yamaha MC1602 - BLOCK DIAGRAM

Yamaha MC1602
16 pages
Print Icon
To Next Page IconTo Next Page
To Next Page IconTo Next Page
To Previous Page IconTo Previous Page
To Previous Page IconTo Previous Page
Loading...
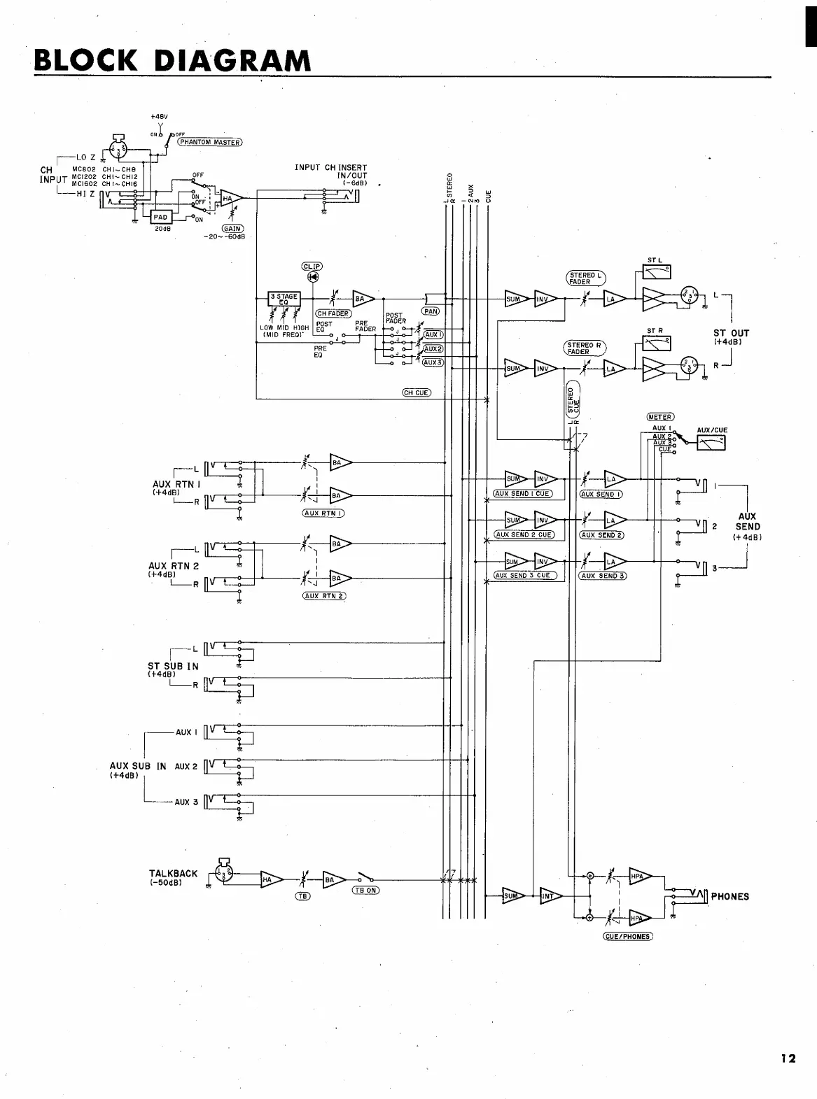
BLOCK
DIAGRAM
+аву
ond
[>
OFF
`
-T
4
(PHANTOM
MASTER)
|
LOZ
4
3H
|
CH
мсаог
CHI~
CHB
|
TNPUT
CH
INSERT
UT
MCI202
CHI~CHI2
INPUT
MCI602
CHI~CHI6
(-6dB)
О
o
.
x
HIZ
С
jd
|
ge
5
6i.
НЙ
PO
2098
OFF
STEREO
CUE
"ON
-20-—-60dB
-
CLIP
wy
МУ
>
/
Y
Y
^^—
(CHFADER
PRE
LOW
MID
HIGH
EOST
FADER
(MID
FREQ}
AUX
/CUE
M
|
AS
Б>
AUX
RTN
I
i
|
|
(+448)
R
z
(AUX
RTN
I)
|
К>
AUX
Ne
|
|
3
аав)
i
(RUX
SENE
3)
1
(AUX
RTN
2)
-———L
|
ST
SUB
IN
(+448)
R
|
AUX
|
||
AUX
SUB
IN
auxe
||
(+448)
AUX
3
||
пк
ры
и
р:
(тв)
(ТВ
ом)
|
с
|
PHONES
pl
(CUE/PHONES)
|
CUE/PHONES
X
E
2
SEND
X
SEND
2
|
(+448)
12

Other manuals for Yamaha MC1602

Related product manuals