EasyManua.ls Logo

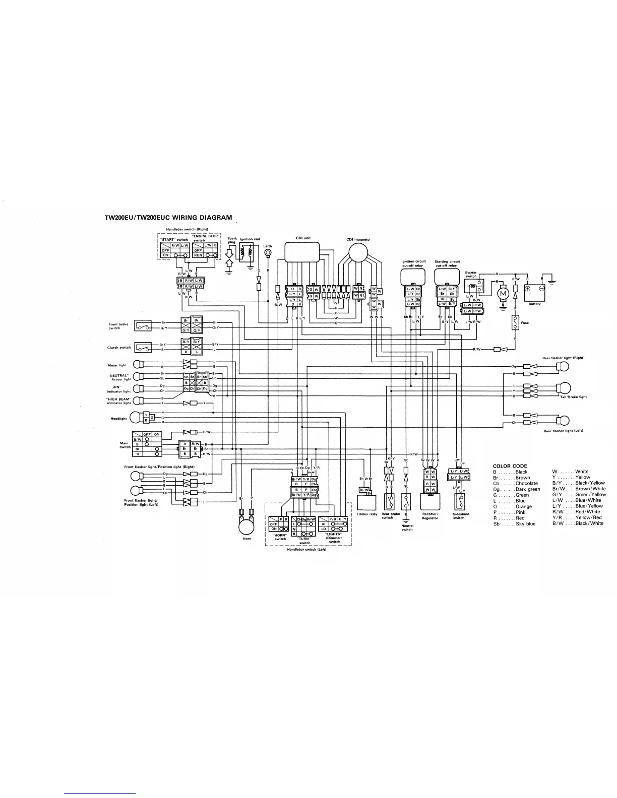
Yamaha TW200/E - TW200 EU;TW200 EUC Wiring Diagram

Yamaha TW200/E
276 pages
Print Icon
To Next Page IconTo Next Page
To Next Page IconTo Next Page
To Previous Page IconTo Previous Page
To Previous Page IconTo Previous Page
Loading...

Table of Contents

Related product manuals