EasyManua.ls Logo

Yamaha WaveRunner FX140 - Electric Bilge Pump Wiring Diagram

Yamaha WaveRunner FX140
868 pages
Print Icon
To Next Page IconTo Next Page
To Next Page IconTo Next Page
To Previous Page IconTo Previous Page
To Previous Page IconTo Previous Page
Loading...
7-42
E
+
ELEC
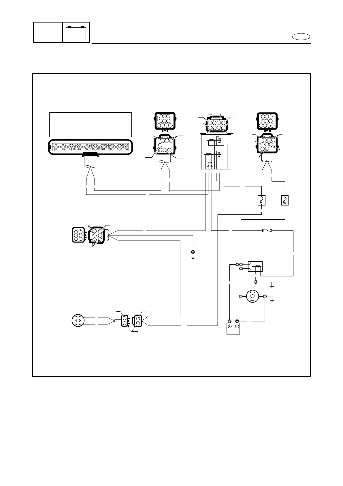
ELECTRIC BILGE PUMP
ELECTRIC BILGE PUMP
WIRING DIAGRAM
4321
8765
7 18
L/R
Br
L
Y
R/Y R/Y
R/Y
R/Y
R
Y
Br
Br
Br
B
B
B
B
B
B
RR
3
2
1
4
5
R
P
P
O
R
B
R
R
R
1 2
3
4 5
6
7
8
B
B
B
R/Y
R/Y
B
Br
R/Y
R/Y
R/Y
R/Y R/Y
R/Y
1 ECM
2 Main and fuel pump relay
3 Fuse (3A)
4 Battery
5 Electric bilge pump
B: Black
Br : Brown
R: Red
Y : Yellow
R/Y : Red/yellow

Table of Contents

Other manuals for Yamaha WaveRunner FX140

Related product manuals