EasyManua.ls Logo

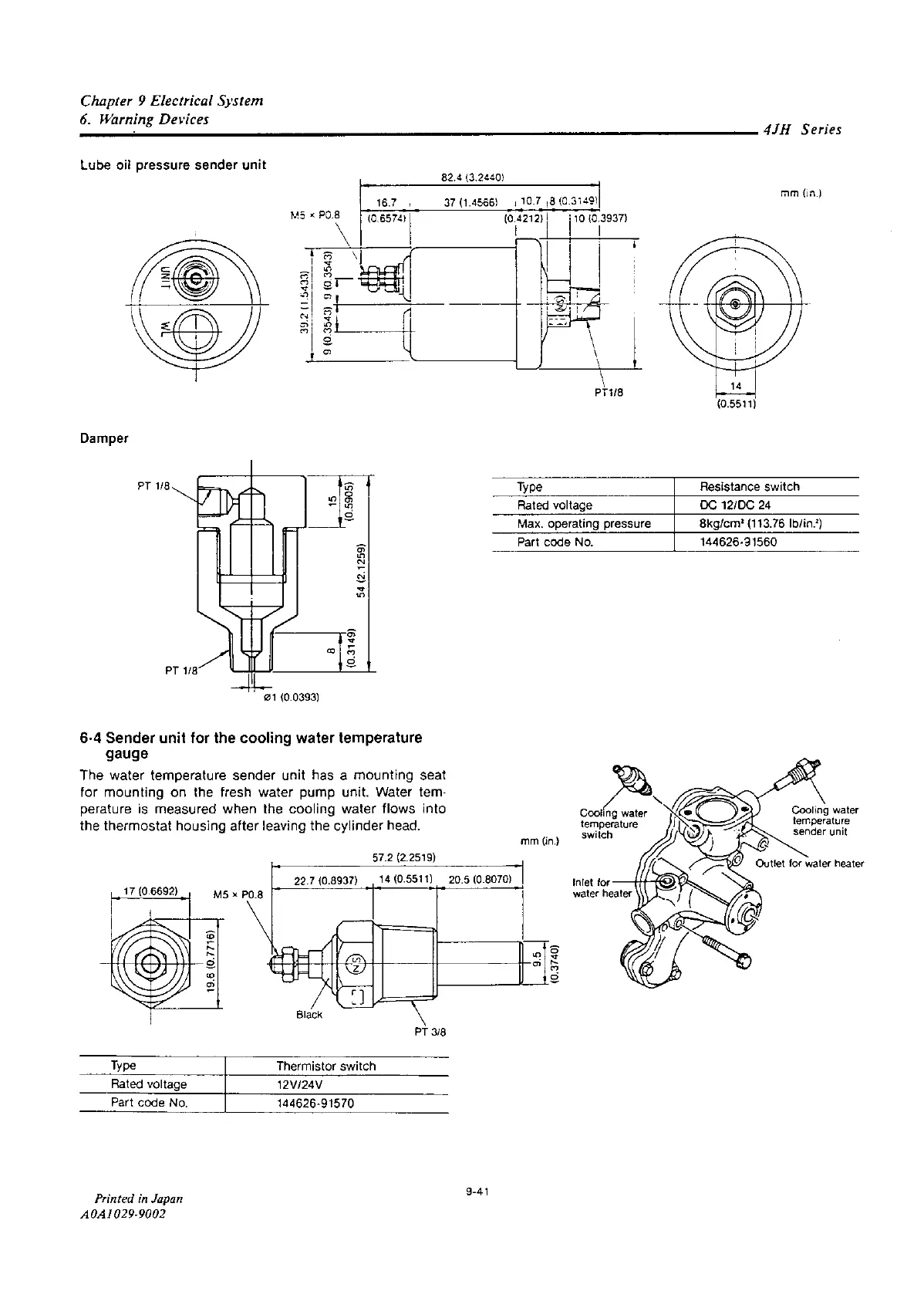
Yanmar 4JH2-TE - Sender Unit for the Cooling Water Temperature Gauge

Yanmar 4JH2-TE
406 pages
Print Icon
To Next Page IconTo Next Page
To Next Page IconTo Next Page
To Previous Page IconTo Previous Page
To Previous Page IconTo Previous Page
Loading...

Table of Contents

Related product manuals