EasyManua.ls Logo

Yanmar YM195 - System-Specific Parts

Yanmar YM195
122 pages
Print Icon
To Next Page IconTo Next Page
To Next Page IconTo Next Page
To Previous Page IconTo Previous Page
To Previous Page IconTo Previous Page
Loading...
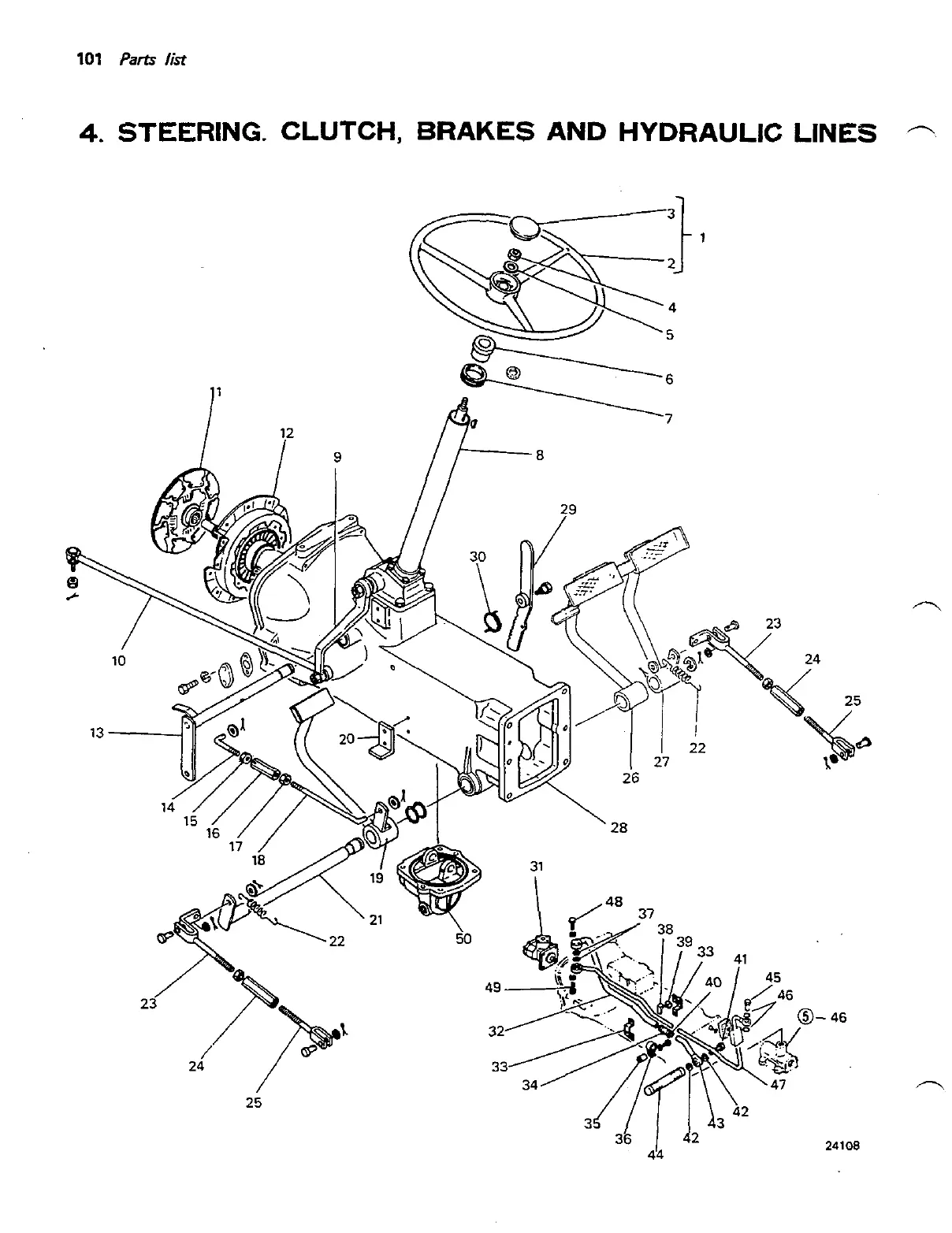
4.
STEERING. CLUTCH, BRAKES AND HYDRAULIC LINES
"

Related product manuals