EasyManua.ls Logo

Yard-Man 604G - Page 36

Yard-Man 604G
44 pages
Print Icon
To Next Page IconTo Next Page
To Next Page IconTo Next Page
To Previous Page IconTo Previous Page
To Previous Page IconTo Previous Page
Loading...
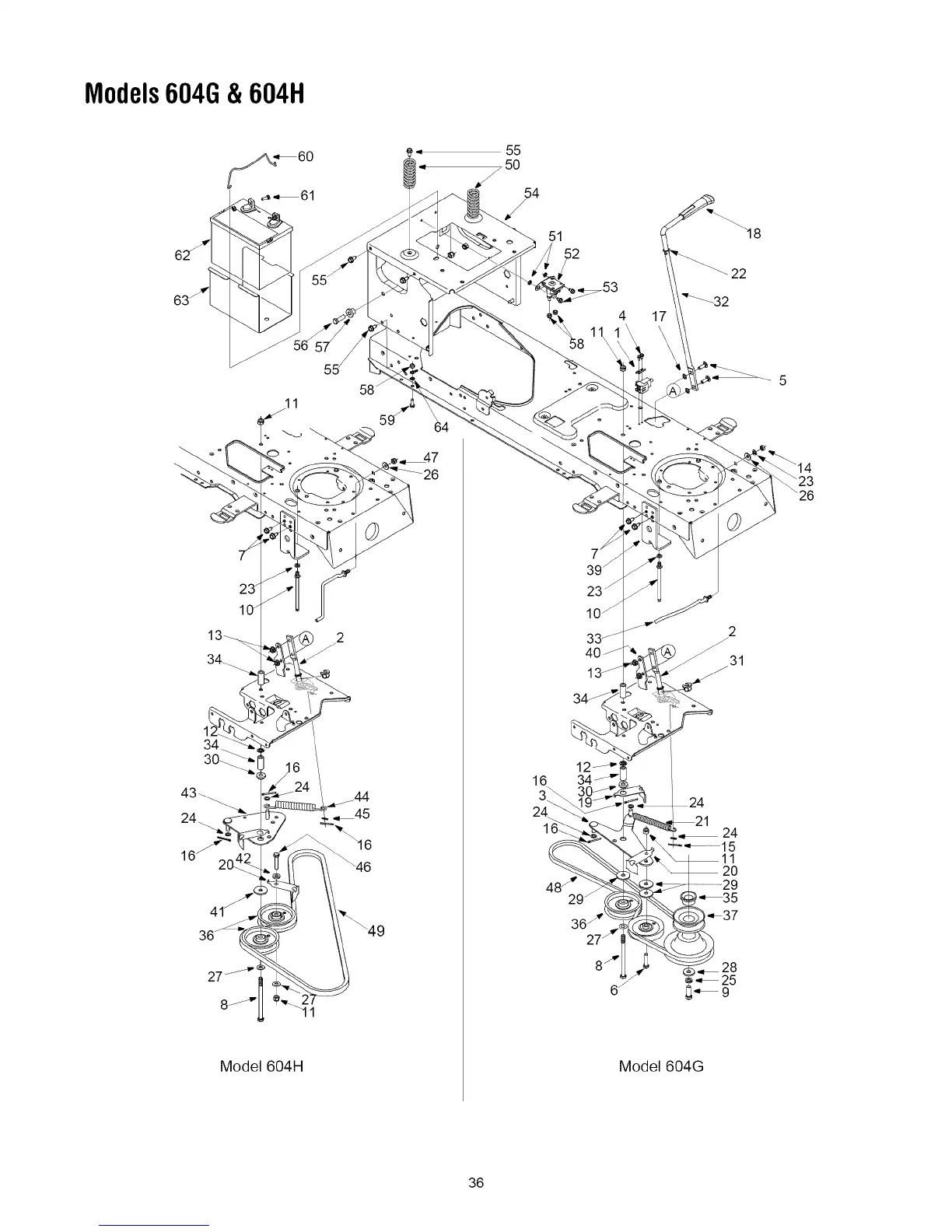
Models604G&604H
51
_2
_53
4 17
78
58 /
59
64
34
30_
Model 604H
16
24
39/
10/
28
_25
_9
Model 604G
"14
"23
_26
36

Related product manuals