EasyManua.ls Logo

Yard-Man 624 - Page 40

Yard-Man 624
48 pages
Print Icon
To Next Page IconTo Next Page
To Next Page IconTo Next Page
To Previous Page IconTo Previous Page
To Previous Page IconTo Previous Page
Loading...
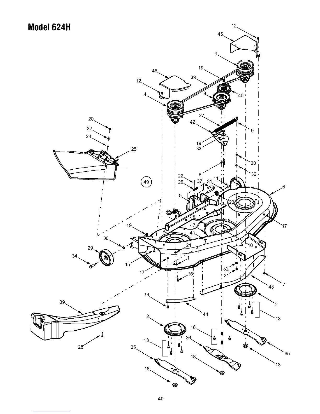
Model624H
46_
4
J
3o.._
29,,,_ o
/
39 r..-°
®
27
I
I
2O
15
4O

Other manuals for Yard-Man 624

Related product manuals