EasyManua.ls Logo

Yard-Man YM70SS - Page 51

Yard-Man YM70SS
52 pages
Print Icon
To Next Page IconTo Next Page
To Next Page IconTo Next Page
To Previous Page IconTo Previous Page
To Previous Page IconTo Previous Page
Loading...
E19
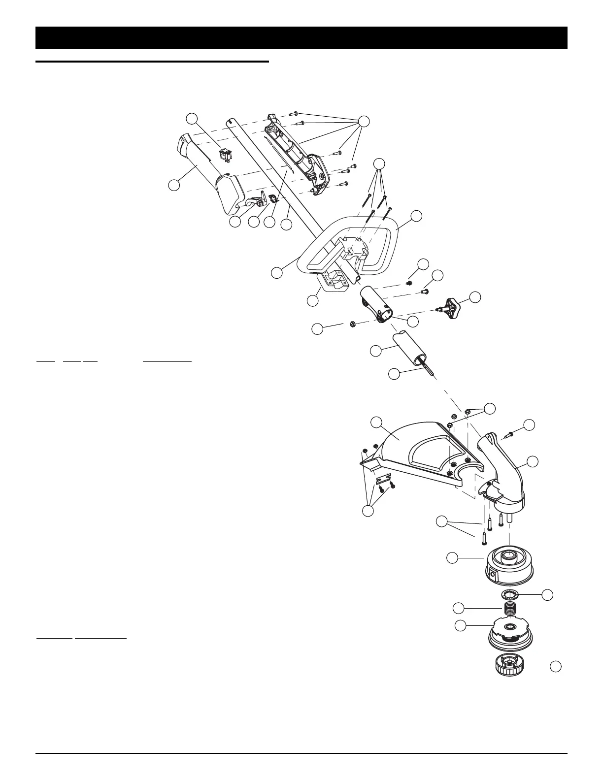
PARTS LIST
REPLACEMENT PARTS - MODEL YM70SS
2-CYCLE GAS TRIMMER
Item Part No. Description
1 753-04234 Throttle Housing Assembly (includes 2-4)
2 753-04119 Throttle Trigger
3 791-182690 Throttle Trigger Spring
4 791-182405 Switch
5 753-04405 Throttle Cable Assembly
6 753-04344 Upper Drive Shaft Housing Assembly
7 791-180869 Deluxe D-Handle Assembly (includes 8-10)
8 791-181070 Screw
9 791-182167 Deluxe D-Handle
10 791-182168 Bottom Clamp
11 791-181616B Split Boom Coupler (includes 12-15)
12 791-182057 Screw
13 791-181617 Bolt
14 791-181618B Adjustment Knob
15 753-04386 Knob Retaining Nut
16 753-1212 Lower Drive Shaft Housing Assembly
17 753-05182 Lower Flexible Drive Shaft
18 791-145569 Anti-Rotation Screw
19 753-05183 Gear Box Assembly (includes 23-27)
20 791-180547 Shield Mounting Hardware
21 791-180548 Shield Assembly (includes 22)
22 791-682061 Blade Assembly
23 791-153619 Outer Spool Assembly (includes 24)
24 791-610660 Retainer
25 791-610317B Spring
26 753-1155 Inner Reel
27 791-153066B Bump Head Knob Assembly
Optional
Accessories
* 791-180120 Replacement Line, 0.095 Diameter
* 753-1156 Reel and Line Assembly
* Items Not Shown
1
13
14
15
16
1
9
7
8
10
11
12
6
3
2
19
17
21
23
24
18
20
22
27
25
26
5
4
20

Related product manuals