EasyManua.ls Logo

Zephyr Monsoon II - Wiring Diagram; Circuit Diagram and ACT CFM Specs

Zephyr Monsoon II
72 pages
Print Icon
To Next Page IconTo Next Page
To Next Page IconTo Next Page
To Previous Page IconTo Previous Page
To Previous Page IconTo Previous Page
Loading...
30
Monsoon II Use, Care, and Installation Guide
MONSOON II
INSERT
PRO
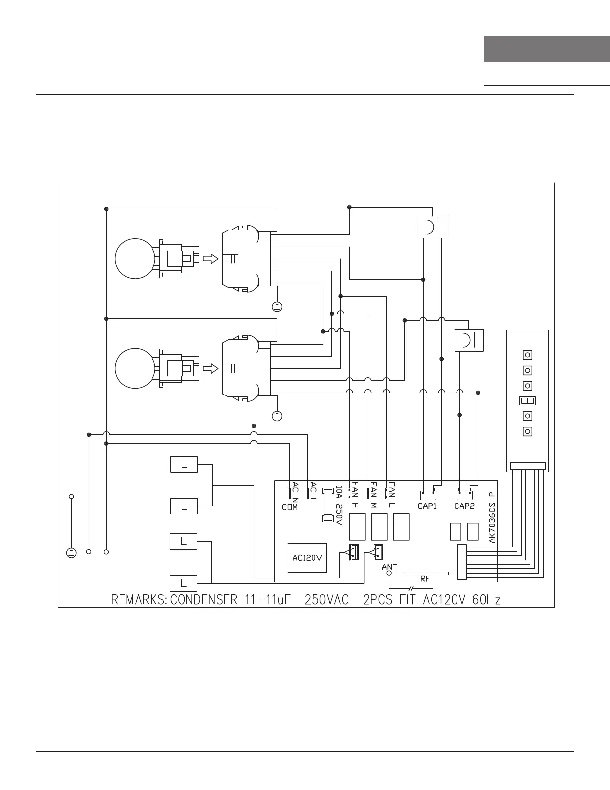
Wiring Diagram
AK9334BS, AK9340BS, AK9346BS, AK9352BS CIRCUIT DIAGRAM
WHITE
RED
YELLOW
GREY
BROWN
BLUE
GREEN
BODY
WHITE
BLUE
BROWN
GREY
RED
YELLOW
GREEN
BODY
MOTOR
MOTOR
YELLOW
YELLOW
RED
YELLOW
YELLOW
RED
YELLOW
YELLOW
YELLOW
YELLOW
OPTIONAL DUAL FAN
BODY
GREEN
BLACK
WHITE
TRANSFORMER
GREY
BROWN
BLUE
WHITE
B/W
ACT 590 CFM - Fan Max. 556W @ 4.6A
ACT 390 CFM - Fan Max. 381W @ 3.4A

Related product manuals