EasyManua.ls Logo

Zepro 31799 - Page 16

Zepro 31799
20 pages
Print Icon
To Next Page IconTo Next Page
To Next Page IconTo Next Page
To Previous Page IconTo Previous Page
To Previous Page IconTo Previous Page
Loading...
74285TL
16
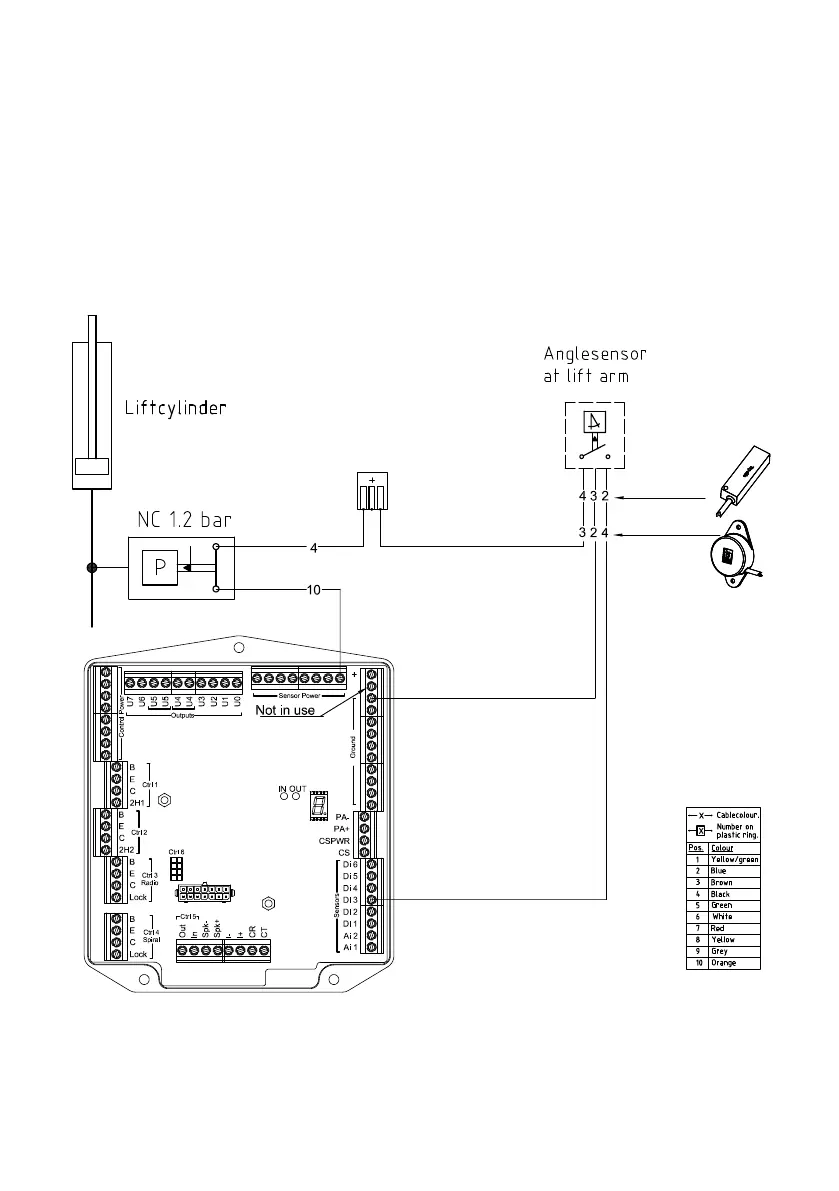
Vinkelgivare / Angle sensor 31799
Inkoppling av vinkelgivare för Hydraulisk auto-tilt på- / Connection of
angle sensor for Hydraulic auto-tilt on- Z/ZL/ZA/ZAE/ZAHD/ZAEHD -
150/200/250, ZHD/ZHDL - 1500/2000, ZHD - 2500/3000
Alt. 2