EasyManua.ls Logo

Zero Zone Highlight MERCHANDISER RHZC30 - Single Point Connection or Master Wiring - Medium Temp

Zero Zone Highlight MERCHANDISER RHZC30
53 pages
Print Icon
To Next Page IconTo Next Page
To Next Page IconTo Next Page
To Previous Page IconTo Previous Page
To Previous Page IconTo Previous Page
Loading...
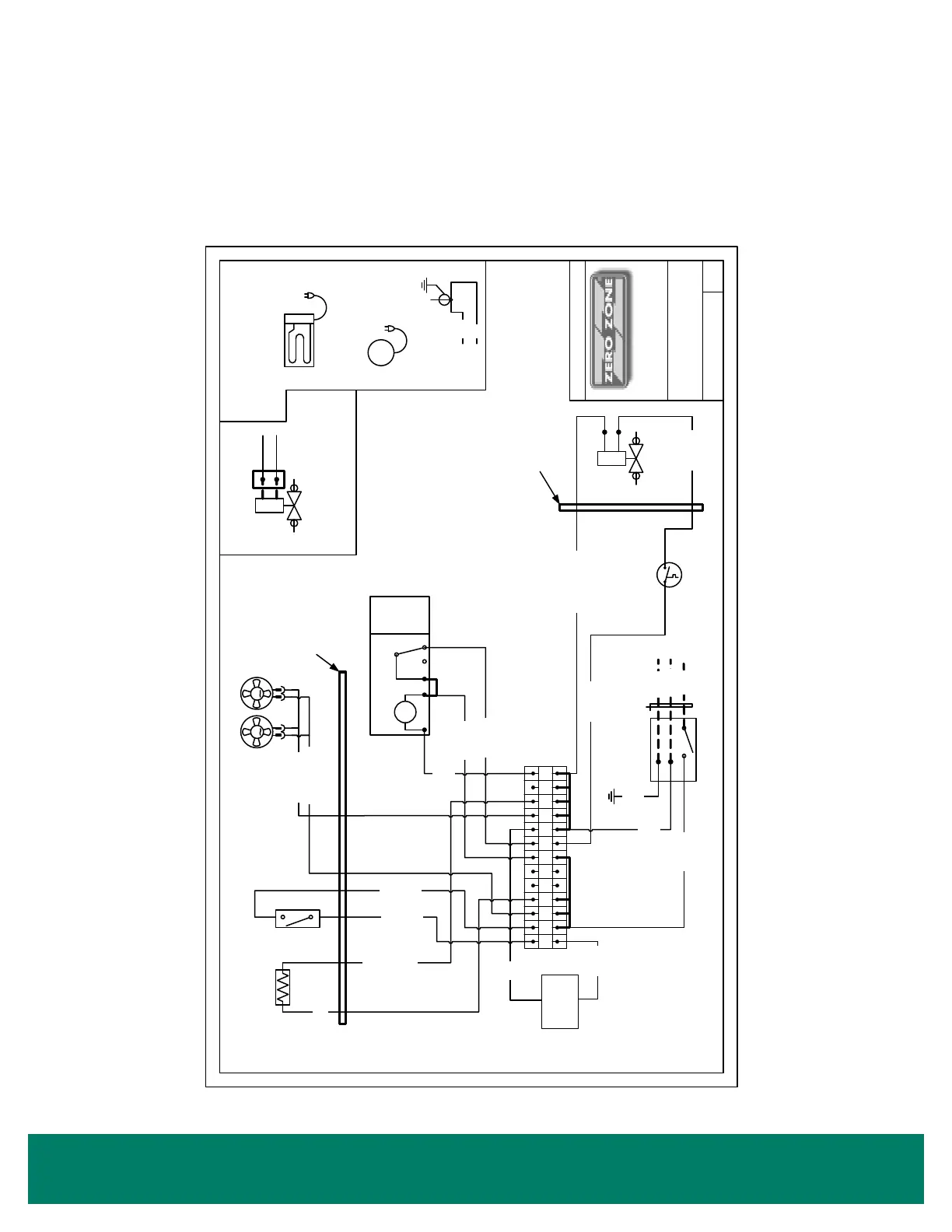
46 • Illustrations - Single Point Connection or Master Wiring - Medium Temp
ILLUSTRATIONS
Single Point Connection or Master Wiring - Medium Temp
FIGURE 32: SINGLE POINT CONNECTION OR MASTER WIRING










  




   

 

 
 



ORG 18 GA
ORG 18 GA
LIGHTS
(SEE AUX
DIAGRA M
ORG OR
BLK
WHT
ABCDEFGH1234 5
P
OPTIONA L
CONDENSATE
PUMP
115V-1-60
OPTIONAL
CONDENSATE EVAPORATOR 115V-1-60
MOUNTED ON TOP OF CA SE
PLUGGED INTO CONDENSING UNIT
OR POWERED BY CUSTOMER
WHT
BLK
OPTIONAL
TO TB 4
TO TB G
0PTIONAL
SOLENOID V ALV E
120VAC
WHT/BLU 18 GA
BLU 18 GA OPTIONAL
TEMPERATURE CONTROL
TO SENSE 38° AIR
SET DIAL TO 34°
AND THE SLIDER TO A
DIFFERANTIAL
RED/YELLOW
CLOSE ON RISE
OPEN ON DROP
BLU 18 GA
REPRESENTS EGRESS
THROUGH CASE
LIGHT SWITCH
REPRESENTS
EGRESS
THROUGH CA SE
GRD
MULLION
R ED
WHITE W/RED
FANS
MM
BLU ( RIBBED )
BLU (SMOOTH)
T
3
4521
TIME
CLOCK
#STuZ-12 0
ON
OFF
GREEN
WHITE
B
L
A
C
K
4X4 ELEC BOX
BLK 14 GA
GRN
14 GA
WHT
14 GA
WHT
14 GA
BLU 14 GA
BLK 14 GA
OPTIONA L
FIELD INSTALLED
SOLENOID V A LV E
SHIPPED LOOSE
120VAC
4X4 ELEC BOX
ON TOP OF CA S E
CUSTOMER
CONNECTIONS
115V

Table of Contents

Related product manuals