EasyManua.ls Logo

ZF 280 IV - Operation

ZF 280 IV
60 pages
Print Icon
To Next Page IconTo Next Page
To Next Page IconTo Next Page
To Previous Page IconTo Previous Page
To Previous Page IconTo Previous Page
Loading...
5
GB
The following symbols are used to highlight important information on technical reliability and safety:
This symbol denotes a procedure that could result in physical injury to the operator or to other persons
in the vicinity if not followed correctly.
The warning symbol denotes procedures which, if not carried out or only partially carried out, may result
in damage to the marine gearbox, engine or connected equipment.
Pay particular attention to these notes, as they contain important information.
OPERATION
A marine gearbox has three main functions:
• to couple the engine to the propeller shaft and reduce the number of propeller revolutions;
• to reverse the direction of drive;
• to stop the movement of the propeller shaft (neutral).
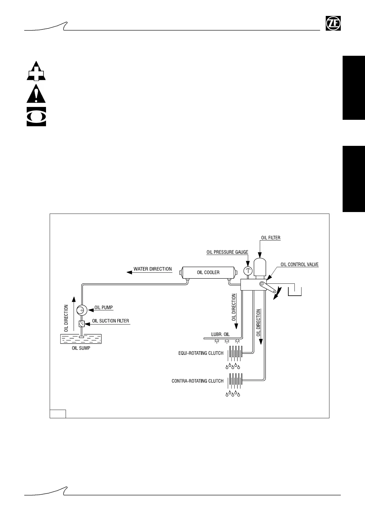
A simplified diagram of the hydraulic circuit is shown below.
Fig. 3
Plus d'informations sur : www.dbmoteurs.fr

Related product manuals