EasyManua.ls Logo

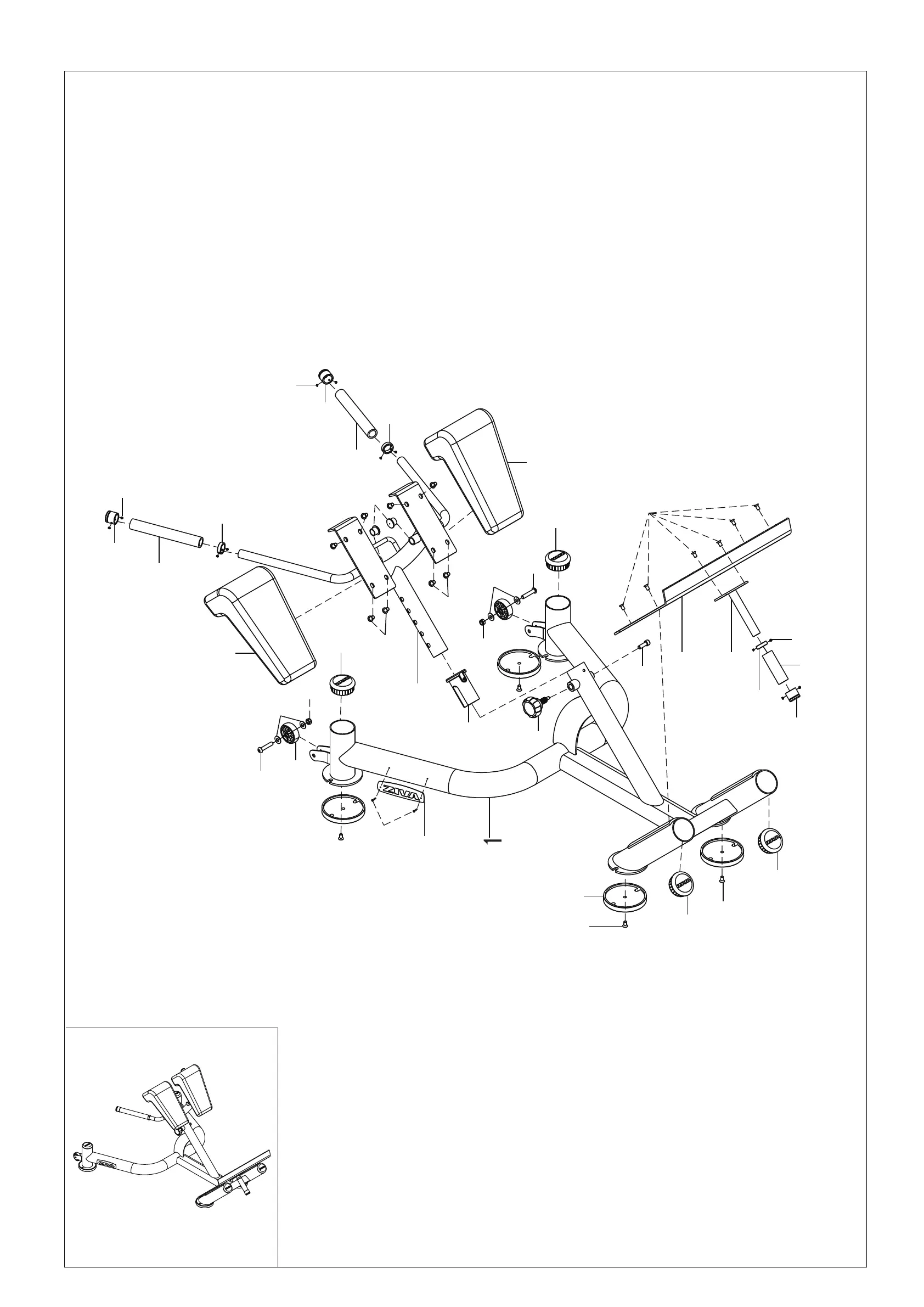
ziva ST2 HYPER EXTENSION BENCH - Exploded Drawing

ziva ST2 HYPER EXTENSION BENCH
7 pages
Print Icon
To Next Page IconTo Next Page
To Next Page IconTo Next Page
To Previous Page IconTo Previous Page
To Previous Page IconTo Previous Page
Loading...
EXPLODED DRAWING
4
2
3
4
5
6
7
8
17
15
16
20
7
20
7
17
15
9
16
11
13
7
21
23
18
22
17
15
9
16
12
21
23
22
24
25
18
10
14
19
20