EasyManua.ls Logo

ZKTeco CMP-100A - Wiring Diagram

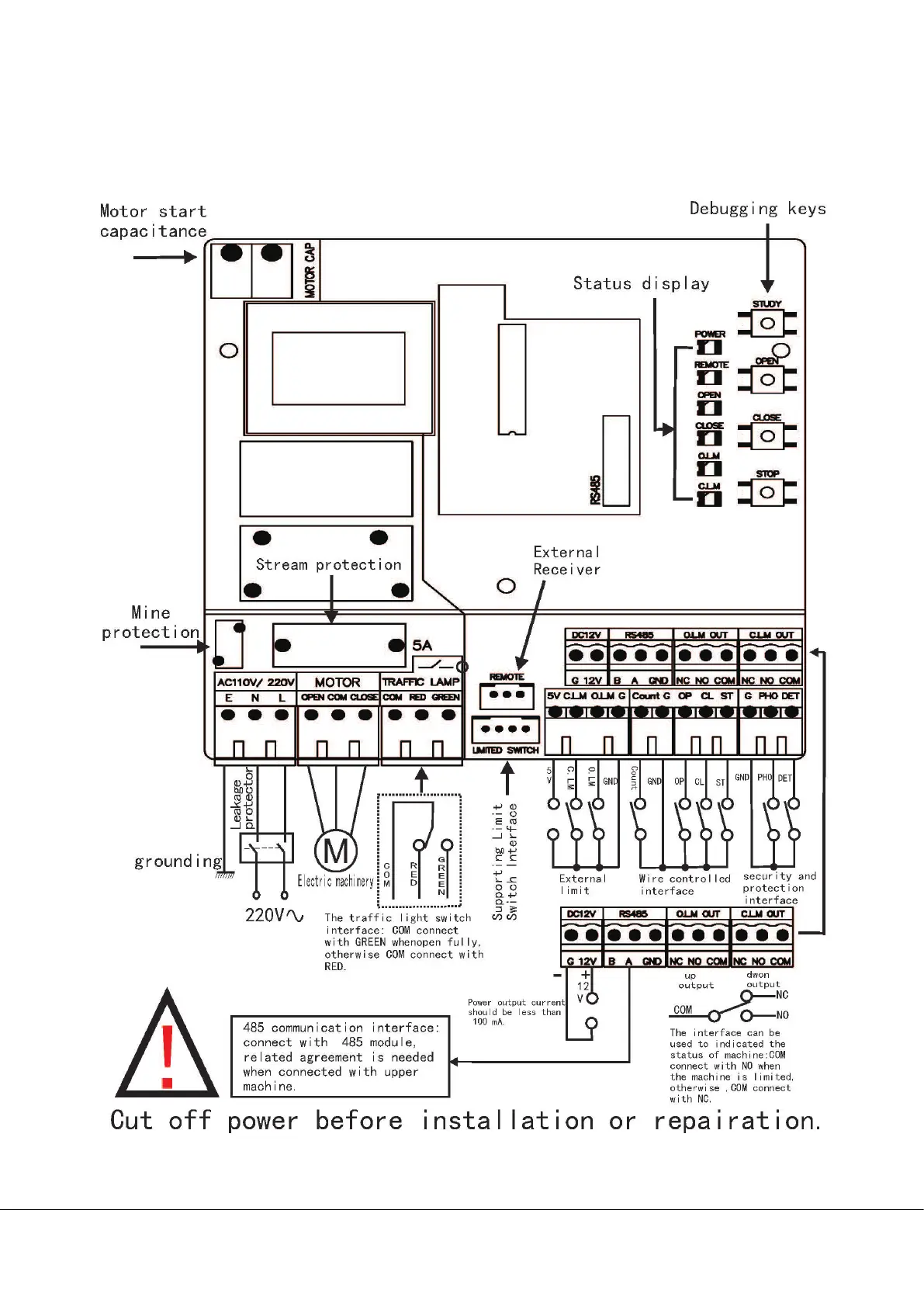
ZKTeco CMP-100A
15 pages
Print Icon
To Next Page IconTo Next Page
To Next Page IconTo Next Page
To Previous Page IconTo Previous Page
To Previous Page IconTo Previous Page
Loading...
CMP-100A User Manual 7
2.5 Wiring Diagram

Related product manuals