EasyManua.ls Logo

Zline 36" - Applianc Ser E Ving

Zline 36"
29 pages
Print Icon
To Next Page IconTo Next Page
To Next Page IconTo Next Page
To Previous Page IconTo Previous Page
To Previous Page IconTo Previous Page
Loading...
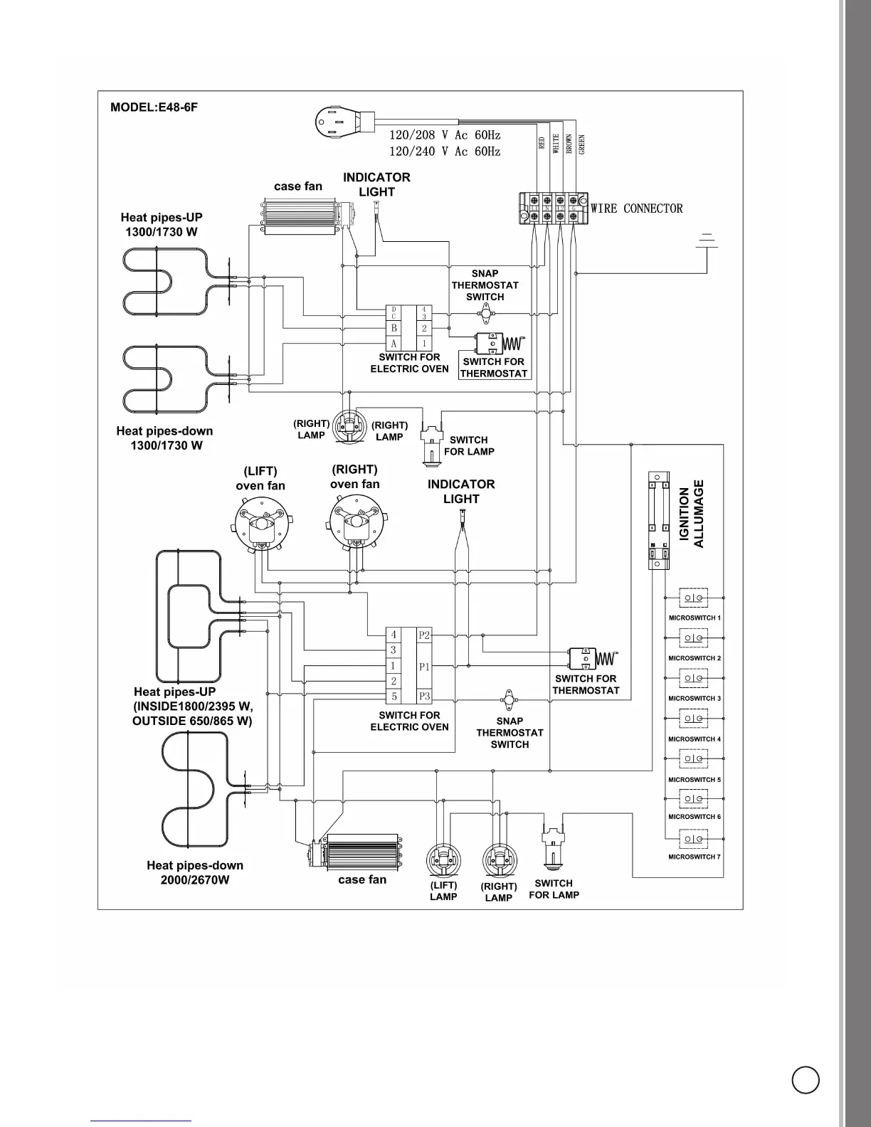
Wiring/Schematic Diagram Places on Backside
of Panel and on Installation Booklet
11

Related product manuals