EasyManua.ls Logo

2VV Superior Master - Page 18

2VV Superior Master
23 pages
Print Icon
To Next Page IconTo Next Page
To Next Page IconTo Next Page
To Previous Page IconTo Previous Page
To Previous Page IconTo Previous Page
Loading...
18
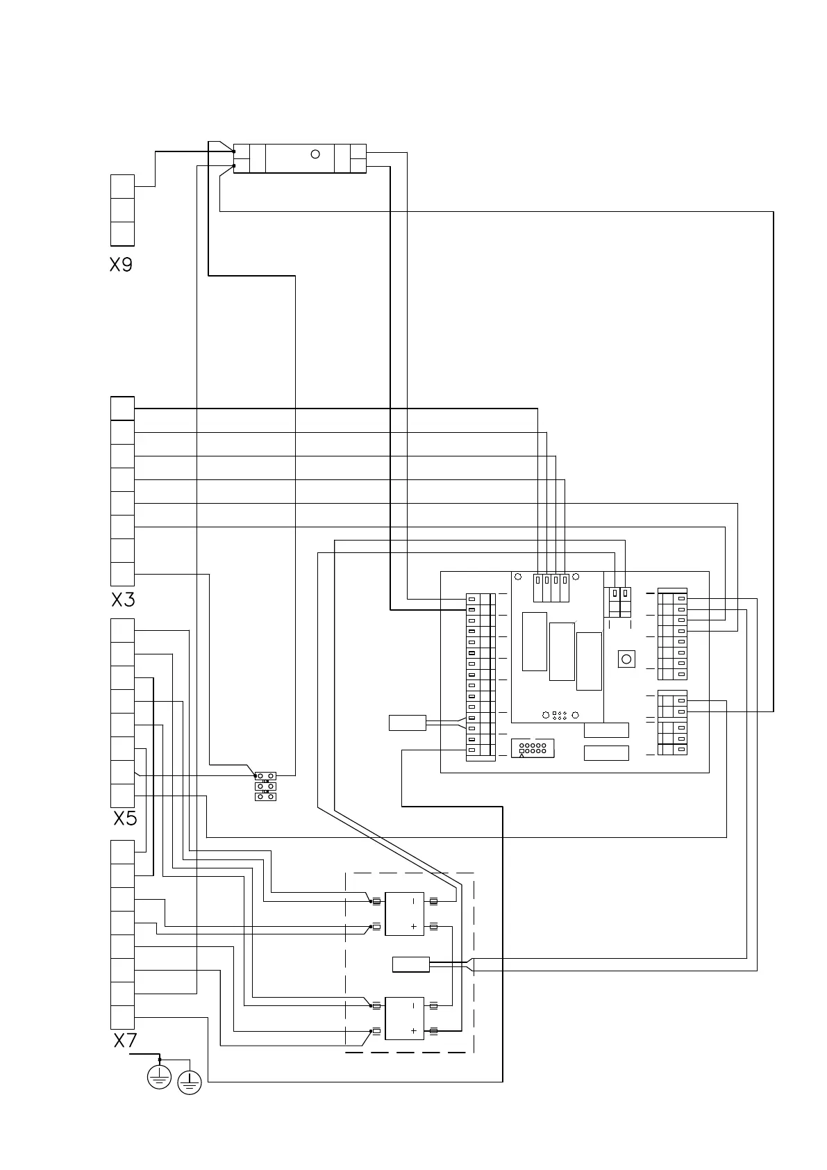
8. WIRING DIAGRAM
VCS-R2-SU-E-SL-AC
12V
+
-
NL
SSR
4
1
2
3
SSR
4
1
3
2
1 2 3
Out
AC3-v1
RELAY
RELAY
BCD
0
OUTLET
GND0-10
29 30
ANALOG
HEAT
L
19 2016 17 18
GNDGND
25 26 27 28
BAGND
21 22 23 24
+12V
ALARM
HEAT
N
ROOM
OUT
WATER
HEAT
H2LH1
MODBUS RTU
SLAVE UNIT
INLET
GNDGNDGND
4 5 6 7 8 9 10 11 12 13 14 15
B
2 31
AGND+12V
SUPPLY
CTRL
THER. DOOR
MODBUS RTU
USED
MASTER UNIT
OUTLET
AIR
POWER
ROOM
EXT
NOT
NTC 10K
2
MODRÁ
BáLÁ
1
6
7
8
2
3
4
5
1
RUDÁ
4
6
8
7
5
3
8
7
6
5
4
3
2
1
3
2
1
NTC 10K
Nízev: VCS-R2-SU-E-SL-AC

Verze: 1
Firma: 2VV

Datum: 16.06.2017