EasyManua.ls Logo

2VV Superior Master - Wiring Diagram

2VV Superior Master
23 pages
Print Icon
To Next Page IconTo Next Page
To Next Page IconTo Next Page
To Previous Page IconTo Previous Page
To Previous Page IconTo Previous Page
Loading...
17
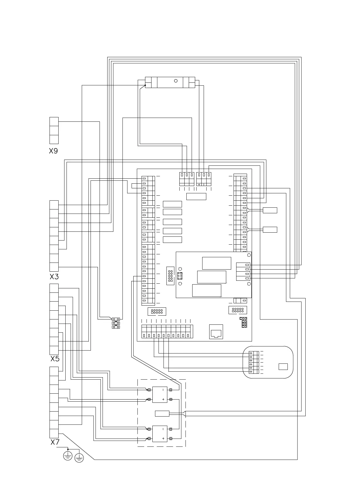
8. WIRING DIAGRAM
VCS-R2-SU-E-MA-AC
Datum: 16.06.2017

2
Verze: 1
Nízev: VCS-R2-SU-E-MA-AC
MODRÁ
BáLÁ
1
6
7
8
2
3
4
5
1
RUDÁ
4
6
8
7
5
3
Firma: 2VV
FUSE
ROOM WAT
ROOM
OUTSIDE
CONTROL PANEL
N
DC12V
PE
PWM
RELAY
NOT
HEAT
DOOR
THERM
EXT
RUN
USED
0-10V
ROOM
RELAY
RELAY
GND
+
1 2 3 4 5 6 7 8 9 1110 12 13 14 15 16 17 18 19 20 21 22 23 24
IN-1 IN-2 L L H1 H2
ERR.
ALARM HEAT
L
L
Fu
57 58 59 60 61 62
3156 55 54 53 52 51 50 4849 47 46 45 44 43 42
27 28 29 3025 26
W.PUMP
I-BUS
OUTPUT
JTAG
JP4
JP3
JP2
JP1
CANL
CANH
GND
+12V
B
A
PWM
NOT
USED
REF. -OUT
NOT
USED
INLET
AIR
OUTLET
AIR
NOT
USED
RELAY
RELAY
12V
+
-
NL
1 2 3
Out
AC3-v1
SSR
4
1
2
3
SSR
4
1
3
2
NTC 10K
NTC 10K
CANL
CANH
GND
+12V
B
A
SD
SLOT
4
65 6663 64
GND
+12V
B
A
8
7
6
5
4
3
2
1
3
2
1
NTC 10K
