EasyManua.ls Logo

A-iPower AP4000 - Diagrama de Circuitos

A-iPower AP4000
104 pages
Print Icon
To Next Page IconTo Next Page
To Next Page IconTo Next Page
To Previous Page IconTo Previous Page
To Previous Page IconTo Previous Page
Loading...
Página 29
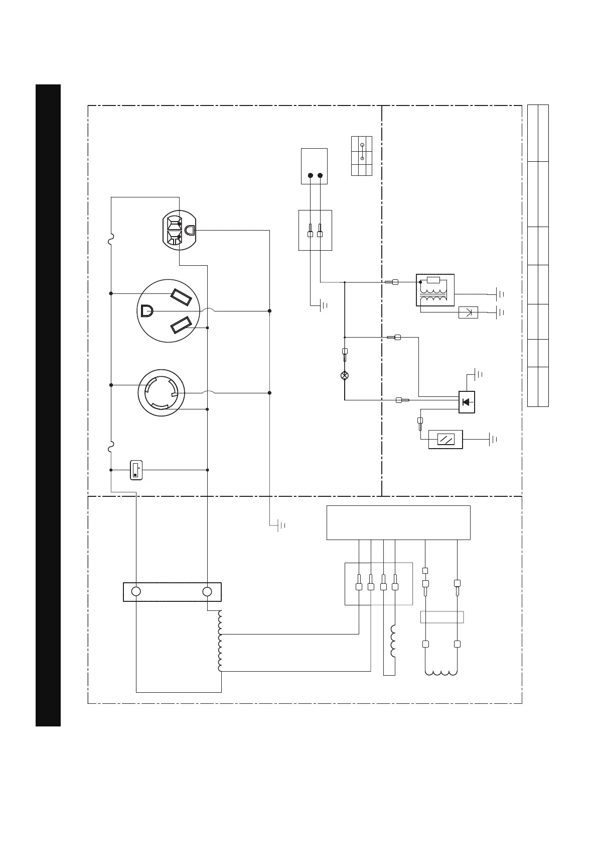
Diagrama de Circuitos
+
R
V
A
0.0
hours 1/10
%
<*
(
%
,*
*
/
%U
<
<
/
<
,* (
2))
21
:
$
775
$
5
$
/5
$
$
5
%
%
5
<
<
%
%
5RWRU
%
%
%
%
:
:
:
:
/%U
<*
<*
:
:
%
%%
*
%
*
%
%
<*
<*
&RQWDGRU
GHKRUDV
,QWHUUXSWRUGH
SDUDGDSRUEDMR
QLYHOGHDFHLWH
%XMoD
%RELQDGH
HQFHQGLGR
,QGLFDGRUGH
DFHLWHEDMR/('
0qGXORGHDSDJDGR
SRUEDMRQLYHO
GHDFHLWH
,QWHUUXSWRU
GHXQLGDG
,QWHUUXSWRU
GHXQLGDG
PANEL DE
CONTROL
MOTOR
ALTERNADOR
%RELQDGH
H[FLWDFLqQ
%RELQDGHO
HVWDWRU
Sistema de puesta a tierra (CA): Flotante Neutro
Diagrama de Circuitos
Modelo: AP4000
B:NEGRO
Br:MARRÓN
G:VERDE
Gy:GRIS
L:AZUL
O:NARANJA
R:ROSA
W:MBLANCO
Y:AMARILLO
P:ROSA
B/W:NEGRO/BLANCO
Y/G:AMARILLO/VERDE
R/W:ROJO/BLANCO

Table of Contents

Other manuals for A-iPower AP4000

Related product manuals