EasyManua.ls Logo

A-iPower AP4000 - Page 97

A-iPower AP4000
104 pages
Print Icon
To Next Page IconTo Next Page
To Next Page IconTo Next Page
To Previous Page IconTo Previous Page
To Previous Page IconTo Previous Page
Loading...
Page 27
+
R
V
A
0.0
hours 1/10
%
<*
(
%
,*
*
/
%U
<
<
/
<
,* (
2))
21
:
$
775
$
5
$
/5
$
$
5
%
%
5
<
<
%
%
5RWRU
%
%
%
%
:
:
:
:
/%U
<*
<*
:
:
%
%%
*
%
*
%
%
<*
<*
Horamètre
,QWHUUXSWHXU
GDUUmWGH
EDVQLYHDX
GKXLOH
,QGLFDWHXUGH
EDVQLYHDXG
KXLOH/('
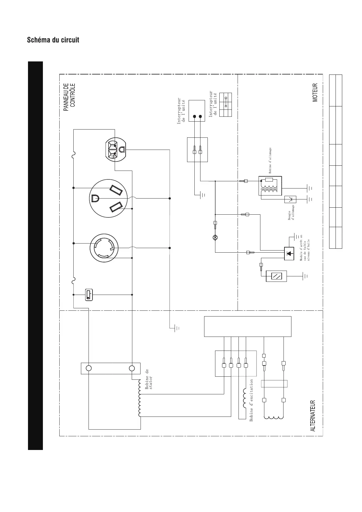
Schéma du circuit
Modèle : AP4000
Sistema de puesta a tierra (CA): Neutre Flottant
B:NOIR
Br:BROWN
G:VERT
Gy:GRIS
L:BLUE
O:ORANGE
R:ROUGE
W:BLANC
Y:JAUNE
P:ROSE
N/B:NOIR/BLANC
Y/G:JAUNE/VERT
R/W:ROUGE/BLANC

Table of Contents

Other manuals for A-iPower AP4000

Related product manuals