EasyManua.ls Logo

A.O. Smith Gphe 50 - Vent Pipe Assembly Installation (Continued); Vent Termination Methods and Wiring Schematic

A.O. Smith Gphe 50
40 pages
Print Icon
To Next Page IconTo Next Page
To Next Page IconTo Next Page
To Previous Page IconTo Previous Page
To Previous Page IconTo Previous Page
Loading...
22
CAUTION
LABEL ALL WIRES PRIOR TO DISCONNECTION WHEN SERVICING CONTROLS. WIRING ERRORS CAN CAUSE IMPROPER AND
DANGEROUS OPERATION. VERIFY PROPER OPERATION AFTER SERVICING.
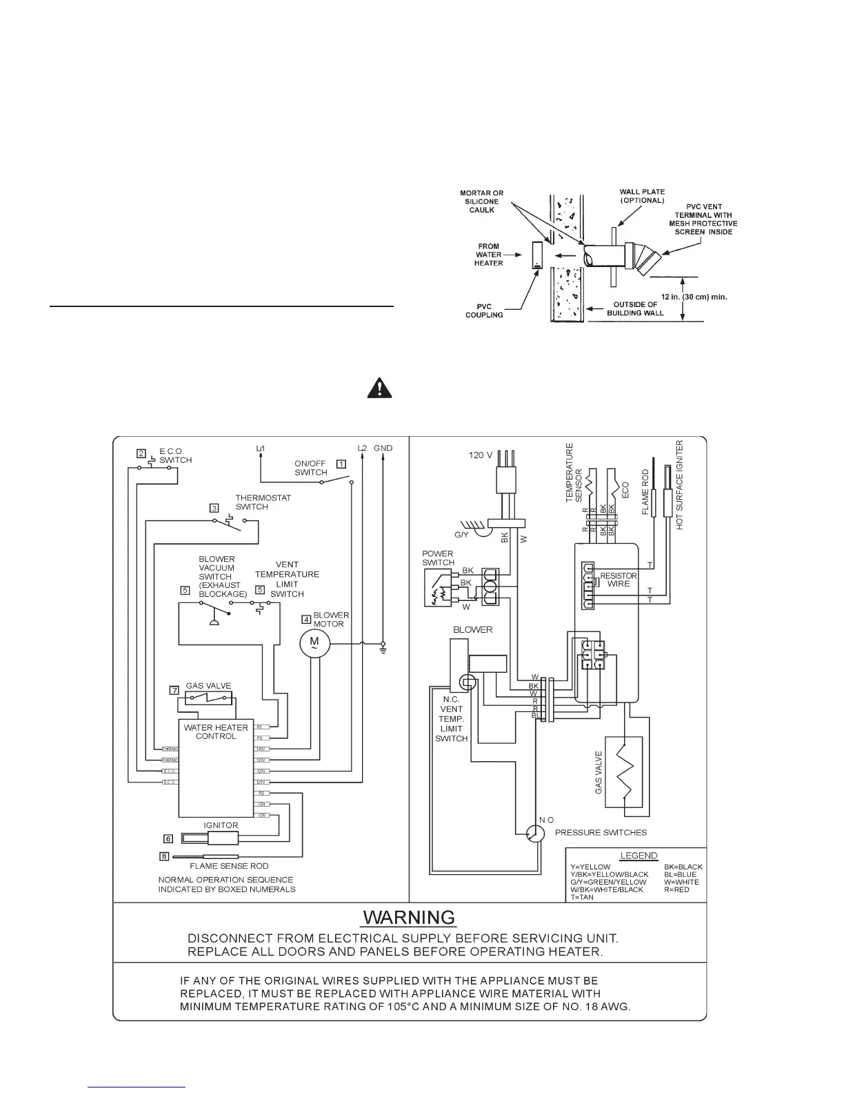
POWER VENT WIRING SCHEMATIC - FIGURE 19.
may be easier to mark both the inside and outside wall. Align holes by
drilling a hole through center of the template from the inside through to
the outside. The template can now be positioned on the outside wall
using the drilled hole as a centering point for the template.
3. A)MASONRYSIDEWALLS
Chiselanopeningapproximatelyonehalfinch(1.3cm)larger
than the marked circle.
B)WOODENSIDEWALLS
Drillapilotholeapproximatelyonequarterinch(0.64cm)outside
of the marked circle. This pilot hole is used as a starting point
for a saws-all or sabre saw blade. Cut around the marked circle
stayingapproximatelyonequarterinch(0.64cm)outsideofthe
line.(Thiswillallowtheventtoeasilyslidethroughtheopening.
The resulting gap will be covered up by the Vent Terminal cover
plate.)Repeatthissteponinsidewallifnecessary.
SEQUENCE OF INSTALLATIONS, FIGURE 18
Cut a length of PVC pipe about 3.5 inches (8.9cm)longer than wall
thickness at the opening. Glue vent terminal to this section of pipe. Slide
the wall plate over the pipe to stop against the vent terminal. Place a
beadofcaulking(notsupplied)aroundthegapbetweenthepipeand
coverplate. Apply enough to ll some ofthe gap betweenthe pipe
and wall. Place some of the caulking on the back of the plate to hold it
against the wall after installation. If the vent pipe is installed up to the
wall, with a coupling on the end against the wall opening, the pipe with
the vent terminal can be prepared for gluing before inserting through
the wall. Slide the pipe through the wall and insert into the coupling on
the other side of the wall, making sure that the vent terminal ends up
pointed in the correct position, see Figure 18.
VENT TERMINATION - FIGURE 18.

Table of Contents

Related product manuals