EasyManua.ls Logo

A-Star 2018 ED - INSTALLATION STEPS; INSTALL BYPASS VALVE; INSTALL BRINE TANK OVERFLOW FITTINGS; MOVE SOFTENER ASSEMBLY INTO POSITION

Default Icon
29 pages
Print Icon
To Next Page IconTo Next Page
To Next Page IconTo Next Page
To Previous Page IconTo Previous Page
To Previous Page IconTo Previous Page
Loading...
7
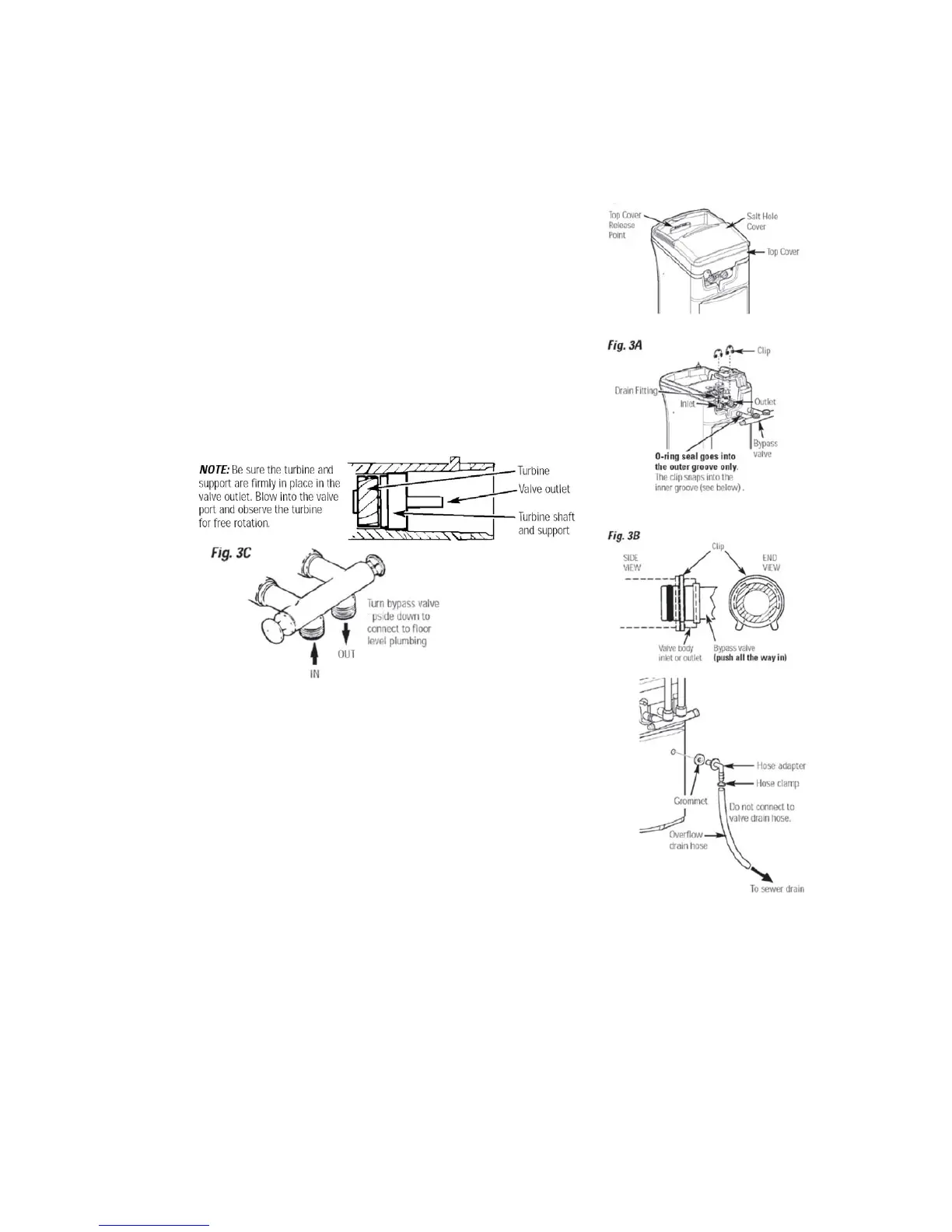
INSTALLATION STEPS
NOTE:
For easier installation, remove the top cover
cover forward and lift up.
1. INSTALL BYPASS VALVE:
o Remove the plastic shipping plug and wire from valve outlet.
o Push the bypass valve (lubricate o--ring seals)into
both ports of the valve...Figures 3A.
o Snap the two large plastic clips in place, from the
top, down...Figures 3A and 3B. Be sure they snap
into place. Pull on the adaptors, or bypass valve,
to make sure they held securely in place.
2. INSTALL THE BRINE TANK OVERFLOW FITTINGS:
o Insert the rubber grommet into the 3/4” diameter
hole in the brine tank sidewall...see page 9.
o Push the barbed end of the hose adaptor elbow
into the grommet.
3. MOVE THE SOFTENER ASSEMBLY INTO INSTALLATION POSITION:
o Be sure the installation surface is level and smooth. If needed, place the tank on
a section of 2 cm thick (min.) plywood. Then, place shims under the plywood as
needed to level the softener.