EasyManua.ls Logo

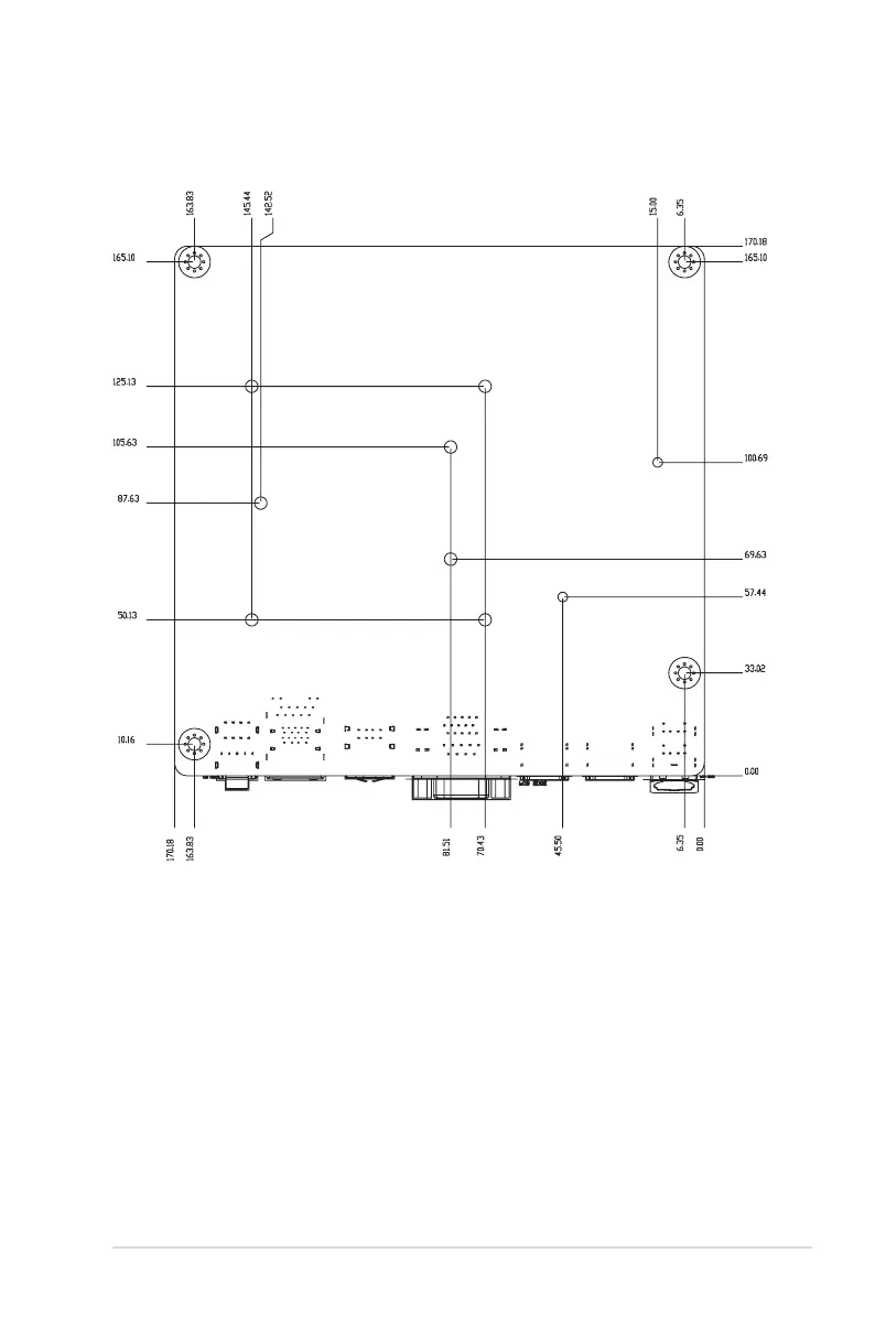
Aaeon EMB-B75B - Solder Side

Aaeon EMB-B75B
50 pages
Print Icon
To Next Page IconTo Next Page
To Next Page IconTo Next Page
To Previous Page IconTo Previous Page
To Previous Page IconTo Previous Page
Loading...
2-5
Chapter 2: Motherboard information
2.3.2 Solder side

Related product manuals