EasyManua.ls Logo

AAON V3-A - Gas Supply and Piping; Gas Piping Installation and Sizing; Gas Leak Testing Procedure

AAON V3-A
84 pages
Print Icon
To Next Page IconTo Next Page
To Next Page IconTo Next Page
To Previous Page IconTo Previous Page
To Previous Page IconTo Previous Page
Loading...
45
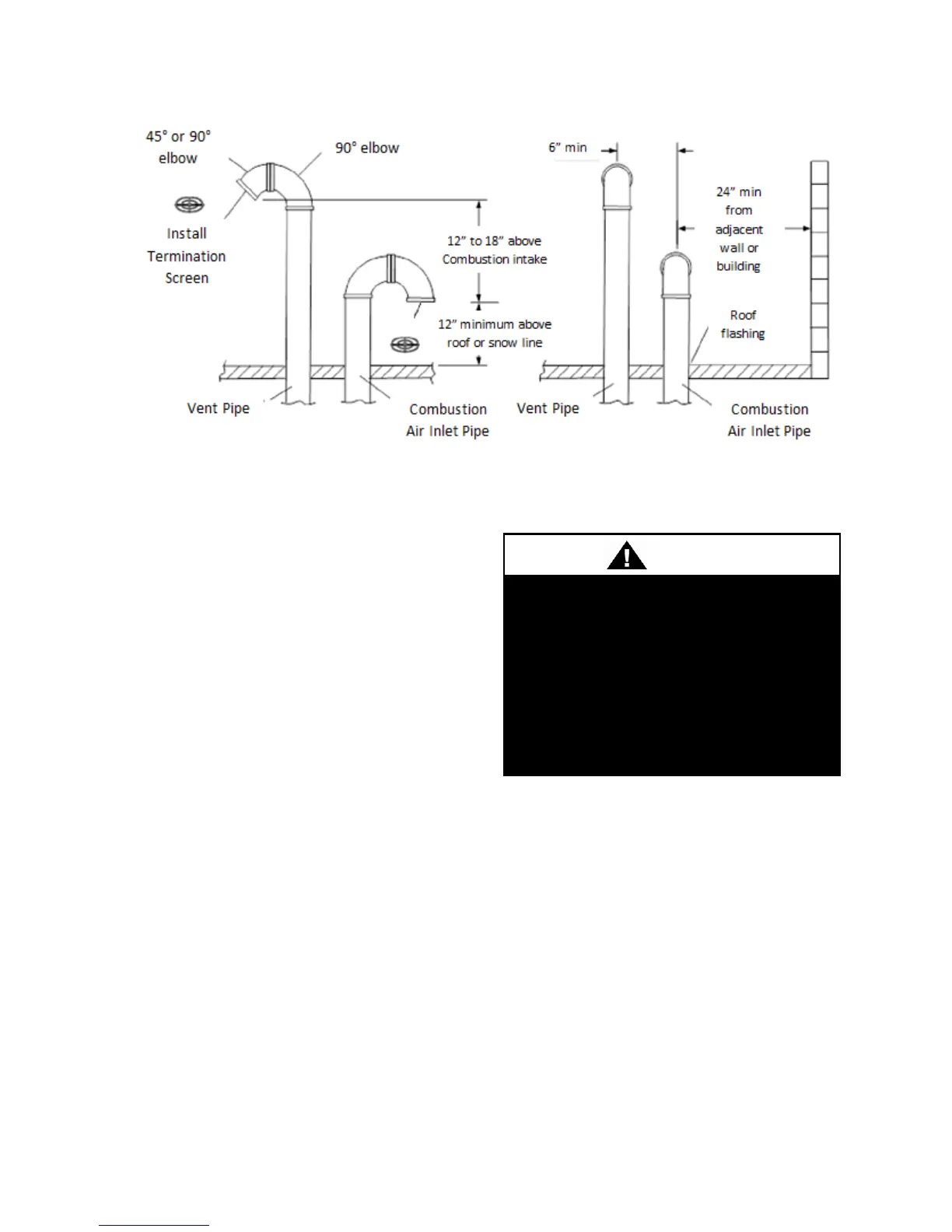
Figure 32 - Separated Combustion Venting
Minimum length before any turns in pipe is
12”.
The vent and combustion air piping must be
properly supported. Horizontal sections must
be installed with an upward pitch of not less
than ¼ in./ft. (21 mm/m) toward the
termination and securely supported every 3ft.
Vent pipe runs through unheated spaces must
be insulated.
The vent drip leg must use reducers from the
outlet to the drain connection to meet
requirements for Canadian installations
(OLC S636). This method is also acceptable
in the US.
Gas Supply, Piping and Connections
Gas piping must be installed in accordance
with local codes, or in the absence of local
code, installation must conform to the current
(United States) National Fuel Gas Code
ANSI-Z223.1/NFPA 54 or the current
(Canada) National Fuel & Propane
Installation Code CSA B149.1 or B149.2.
Gas piping must be sized for the total Btu
input of all units (heaters) serviced by a single
supply. See Table 10 or Table 11 to help size
the gas piping. The gas connection size from
the unit is ½”NPT.
The gas pipe in the unit should be
checked for leaks before startup.
Leak checking is the responsibility of
the installing contractor. All
connections should be checked for
leaks annually. Failure to leak check
could result in fire, explosion, or other
hazardous situations.
DANGER

Table of Contents

Related product manuals