EasyManua.ls Logo

ABB BB 104 - Page 31

ABB BB 104
47 pages
Print Icon
To Next Page IconTo Next Page
To Next Page IconTo Next Page
To Previous Page IconTo Previous Page
To Previous Page IconTo Previous Page
Loading...
31
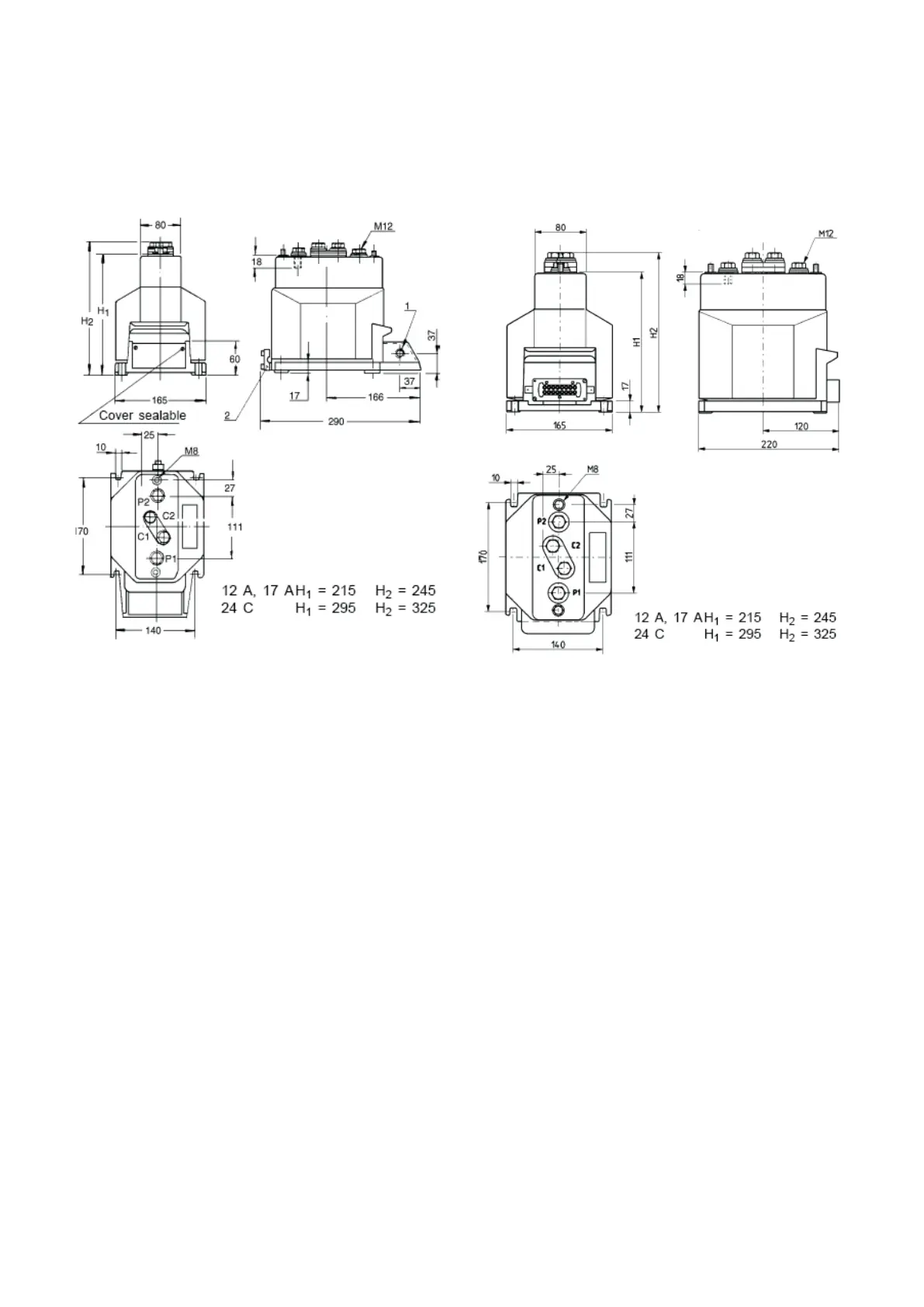
Transformers with base plate, clamp type secondary terminals









Table of Contents

Related product manuals