EasyManua.ls Logo

ABB DS201 - Page 59

ABB DS201
Print Icon
To Next Page IconTo Next Page
To Next Page IconTo Next Page
To Previous Page IconTo Previous Page
To Previous Page IconTo Previous Page
Loading...
59
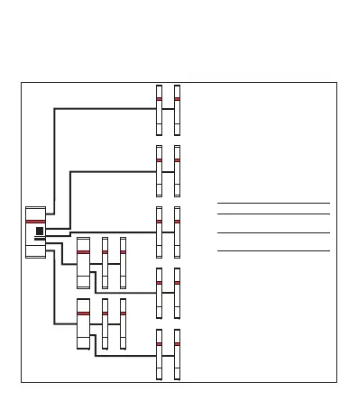
DS201
DS202C
+S/H+H
+UR+S/H+S/H (H)
+ST-F+S/H+S/H (H)
+H+H
+S/H+S/H (H)
+ST-F+H+H
+UR+H+H
Auxiliary contact H
Signal/Auxiliay contact S/H
Signal/Auxiliay contact
used as auxiliay contact
S/H (H)
Shunt trip for
F200 RCCB
ST-F
Undervoltage release UR
ACCESSORIAMENTO
ACCESSORIES
ZUBEHÖR
ACCESSOIRES
ACCESORIOS
ACESSÓRIOS
TILLBEHÖR
ПРИНАДЛЕЖНОСТИ

Related product manuals