EasyManua.ls Logo

ABB DW Series - Page 35

ABB DW Series
49 pages
Print Icon
To Next Page IconTo Next Page
To Next Page IconTo Next Page
To Previous Page IconTo Previous Page
To Previous Page IconTo Previous Page
Loading...
English
- 33 -
User manual DW
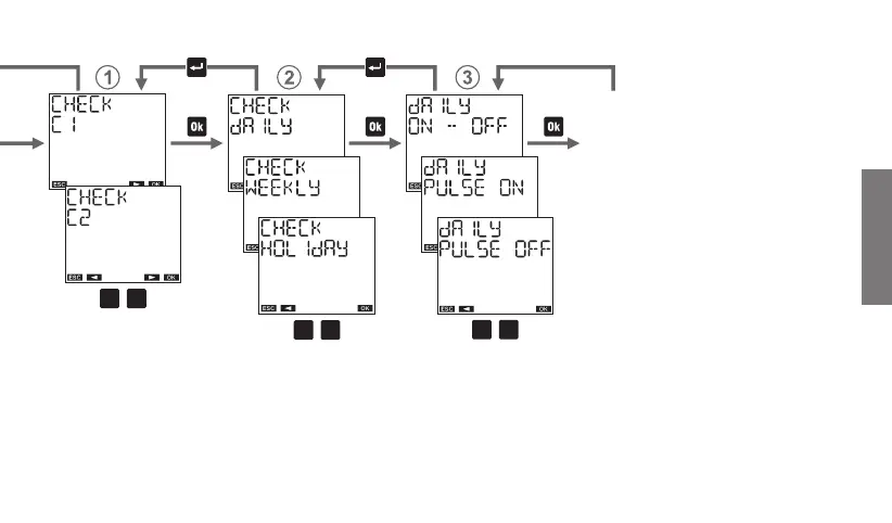
Choose the
channel
Choose the
period
Choose the
type
Check
programs
C2
C1
C2
C1
C2
C1

Related product manuals